EasyManua.ls Logo

EQUIPRITE 5100815 - Replacement Parts

Default Icon
16 pages
Print Icon
To Next Page IconTo Next Page
To Next Page IconTo Next Page
To Previous Page IconTo Previous Page
To Previous Page IconTo Previous Page
Loading...
6
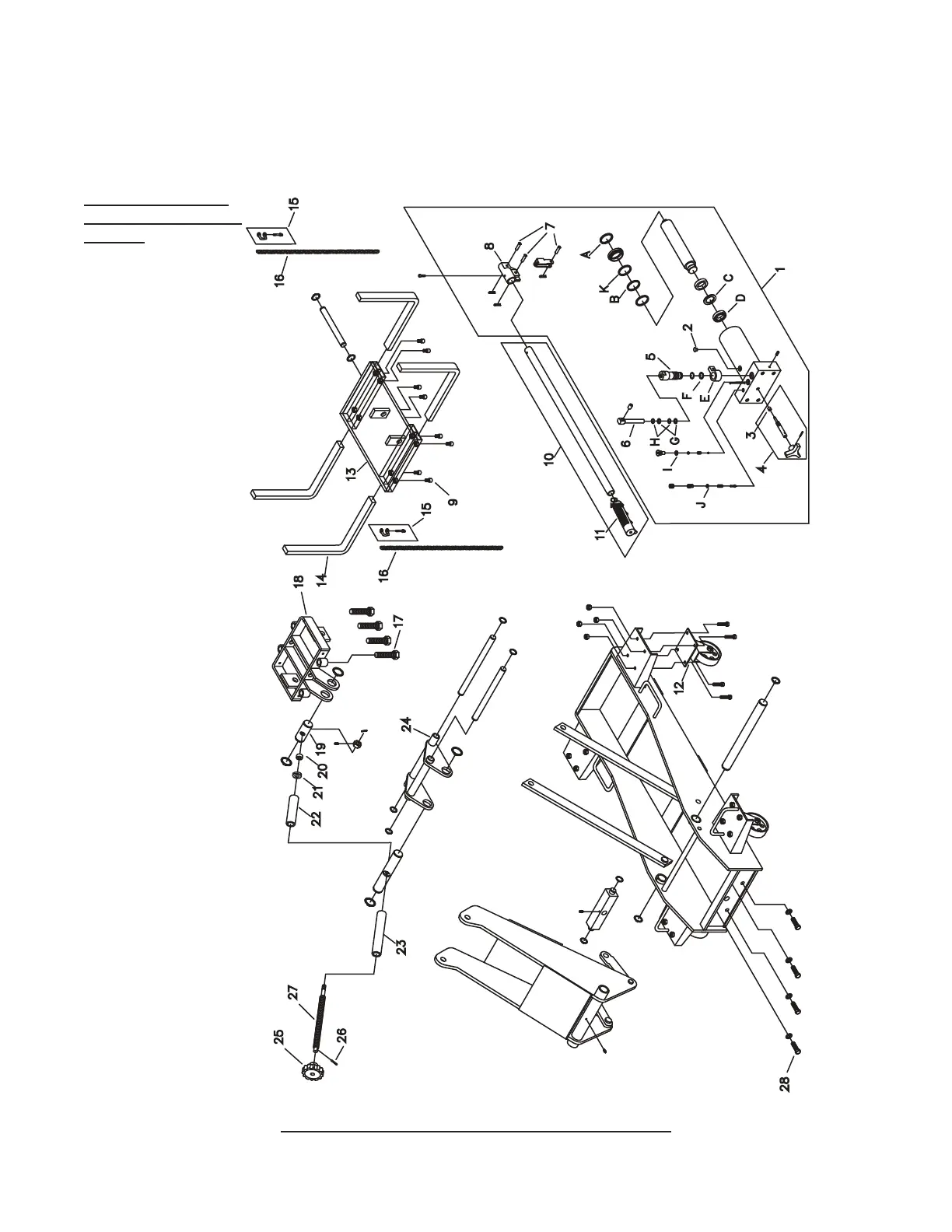
REPLACEMENT PARTS
Not all components of the jack are replacement items. When ordering parts, give Model number, serial number and
parts description. Call or write for current pricing: Fastenal, 4730 Service Dr., Winona, MN 55987, U.S.A. Or contact
your local Fastenal Representative or visit www.fastenal.com to locate your nearest store.
Replacement Parts
Illustration for Model
5100815
Figure 2 - Model 5100815 Replacement Parts Illustration
28
12
23
26
27
25
21
22
24
19
20
4
3
J
11
39
I
G
H
F
E
5
6
10
1
2
D
C
A
B
7
9
15
17
16
14
18
13
8
15
16
K

Related product manuals