EasyManua.ls Logo

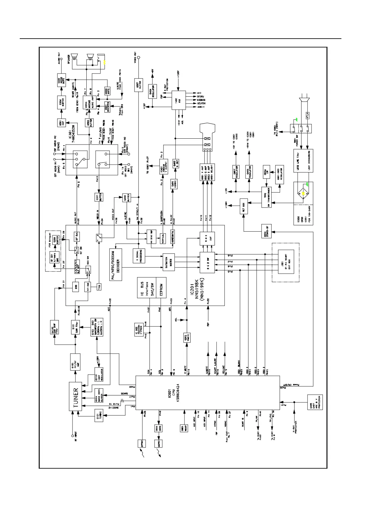
ERISSON 21F1 - Block Diagram

ERISSON 21F1
28 pages
Print Icon
To Next Page IconTo Next Page
To Next Page IconTo Next Page
To Previous Page IconTo Previous Page
To Previous Page IconTo Previous Page
Loading...
- 5 -
III. Block Diagram