EasyManua.ls Logo

ESAB EPP-400 - 4 Bruk; Blokkdiagram - Kretsbeskrivelse

ESAB EPP-400
Print Icon
To Next Page IconTo Next Page
To Next Page IconTo Next Page
To Previous Page IconTo Previous Page
To Previous Page IconTo Previous Page
Loading...
19
KAPITTEL 4 BRUK
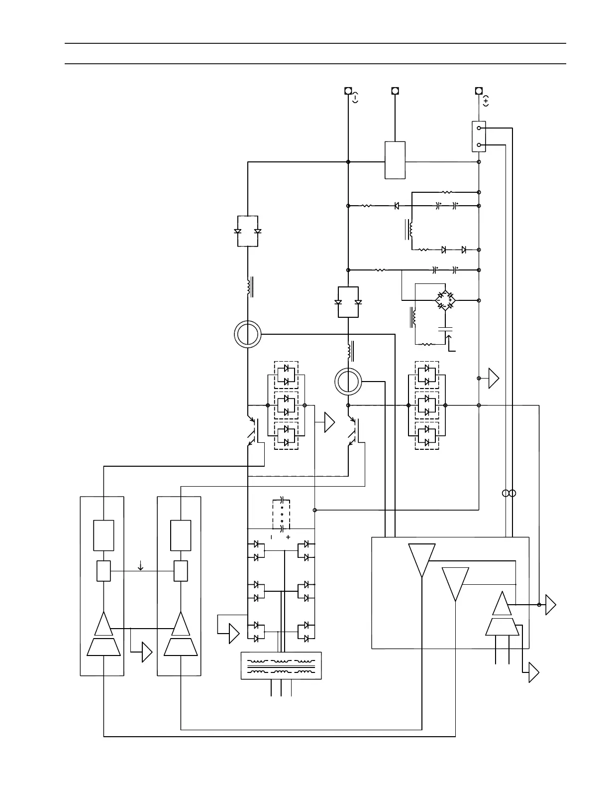
4.1 Blokkdiagram - kretsbeskrivelse
Venstre PWM / Gate Drive-kort
Galvanisk
isolator
PWM
Gate
Drive
Galvanisk
isolator
PWM
Gate
Drive
(Master)
(Slave)
Høyre PWM / Gate Drive-kort
2
H
Synksignal
for vekselvis
svitsjing
3-fase-
inngang
T1 hoved-
transformator
-300 V - 375 V
likestrømsbuss
Busslikerettere
300U120-type
Kondensator-
bank
Styrekrets
Feedback for raske indre servoer
Feilforsterkere
Galvanisk
isolator
0,0 - 10,0 V DC Vref
Iut = (Vref) x (50)
CNC felles
(ytende)
S
T
“T” felles, tilkoplet jordet arbeidsstykke gjennom “+”-utgangen
Feedback for konstant-
spenningsservo
Tvunnet par
Venstre
IGBT-moduler
Se merknad
Høyre
IGBT-moduler
T
Venstre Hall-
sensor
Høyre Hall-
sensor
L1
Blokkeringsdioder
Blokkeringsdioder
L2
Tomgangs-
dioder - se merknad
T
T1
T1
Kontakt på pilotbue-
kontaktoren
425 V topp
250 V topp
Boost-start-
krets
Forspent demper (snubber)
R (boost)
R (snub)
Pilotbue-
krets
Presisjons-
shunt
ELEKTRODE
DYSE
ARBEID
EPP-400
BLOKKDIAGRAM
Se
merknad
Se merknad
Merknad
Både IGBT-ene og tomgangsdiodene er plassert i
samme modul.

Related product manuals