EasyManua.ls Logo

ESAB EPP-400 - Pilot Arc HI;LO and Cut;Mark Circuits

ESAB EPP-400
Print Icon
To Next Page IconTo Next Page
To Next Page IconTo Next Page
To Previous Page IconTo Previous Page
To Previous Page IconTo Previous Page
Loading...
58
SECTION 6 TROUBLESHOOTING
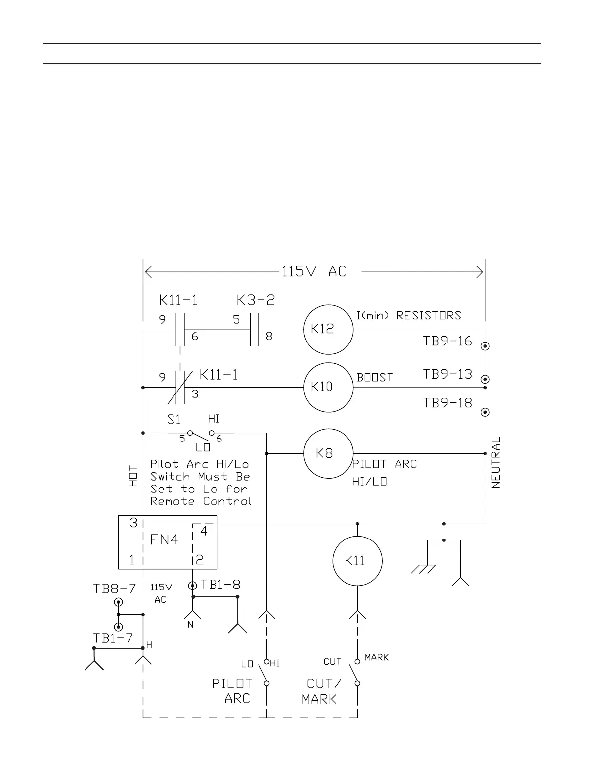
6.10 Pilot Arc HI / LO and Cut / Mark Circuits
A remote contact connecting 115V AC from J1-F to J1-L places the Pilot Arc in High by operating K8. Note, that for this func-
tion to operate, the Pilot Arc Hi/Lo switch on the front panel must be in the “LO” position.
The EPP-400 is placed in the Marking mode when a remote contact connecting 115V AC from J1-R to J1-C operates K11. In
the Marking mode, a normally closed contact on K11 opens turning o K10. When K10 turns o, the Boost supply is discon-
nected lowering the normal Cutting Mode 425V DC Open Circuit Voltage to 360V* DC for Marking. A normally open con-
tact on K11 activates K12. K12 connects the I (min) resistors necessary for stabilizing the low currents required for marking.
In the Cutting mode, the minimum stable output current is 50A, and in the marking mode, its 12A.
* 310V for 400V, 50/60Hz model
J1-Z
J1-S J1-C
J1-D
J1-R
J6-A
J6-B

Related product manuals