EasyManua.ls Logo

ESAB ESP-600C - Page 60

ESAB ESP-600C
120 pages
Print Icon
To Next Page IconTo Next Page
To Next Page IconTo Next Page
To Previous Page IconTo Previous Page
To Previous Page IconTo Previous Page
Loading...
SECTION 6 Troubleshooting
ESP 400C and 600C Plasma Power Sources
6-22
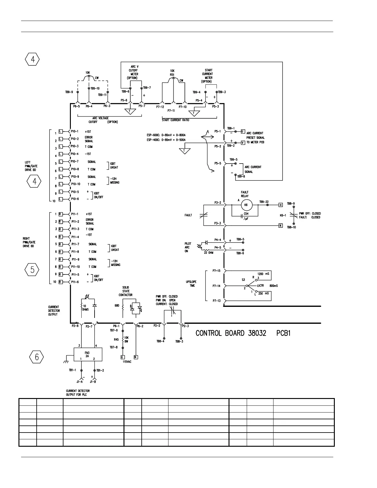
Schematic Diagram - Drawing 2 – Part1
LOC SYM Descrip LOC SYM Descrip LOC SYM Descrip
C32,33 Capacitor 1900uf 450v 4 C25 Capacitor 10uf 370v 4 K6 Relay 3pdt
C34,35,36 Capacitor 10uf 370vac 4 R32 Resistor 220k 4 TD1 Transducer Current
R1,2,3 Resistor 1 ohm 300w 4 FN4 Filter RFI 4 TD2 Transducer Current
F1,2 Fuse 15A 4 R37 Resistor 10ohm 1w 4 R46-48 Resistor 133k 1/2w
TB4,5,6 Terminal Assy 4 C31 Capacitor 1uf 600v 4 R52 Resistor 4.7k ohms 2w 10%
4 K3,5-7 Relay 3pdt brkt mt 4 R51 Pot 10k 2w 4 PL4,5 Lamp LED red 12v

Related product manuals