EasyManua.ls Logo

ESAB ESP-600C - Page 98

ESAB ESP-600C
120 pages
Print Icon
To Next Page IconTo Next Page
To Next Page IconTo Next Page
To Previous Page IconTo Previous Page
To Previous Page IconTo Previous Page
Loading...
SECTION 6 Troubleshooting
ESP 400C and 600C Plasma Power Sources
6-60
34001
3-12H
LOSS
IGBT SAT
-12V INDICATOR
SS CONTACTOR
.01
100K
P1-10
P1-09
P1-08
221
R84
LED3
R52
TP30
10K
221
R51
.01
TP28
TP29
C27
D13
IC08
P1-07
P1-06
P1-05
IC10
R49
Q7
R50
IC09
100K
1M
TP26
TP27
R86
-12H
C53
R85
100K
.01
C52
ANALOG
ISOLATOR
R47
Q6
TP25
1M
100K
R48
TP24
T
.01
1KV
R42
C54
#
R40
-15Z
P6-2
C31
1000
+
20V
SS CONTACTOR
20V
Z
COMPARATOR
+15Z
IC08
20K
R38
221
Z
R82
R83
Q3
.01
C21
ON
TP22
OFF
10K
P6-3
R59
2W
1.0
C32
.10
P6-1
1.0
2W
R60
H
1000
+
~
~
-
+
BR2
C28
.10
C33
TP31
4.7
C22
4.7
H
Q
D
R21
555
1
P1-02
P1-04
P1-03
P1-01
C06
.47
+15Z
C25
C24
R46
10
C26 .01
˜-0.5V
TP23
MAX
R43
10
1M
10K
R45
R44
9
15
2
.47
#
16
IC07
10
R35
10
8
7
#
.47
1
R39
R37
10
C19
.47
TP04
.01
˜+4.5VVMIN
5
2
C11
6
.0015C12
20K
#
R41
SET
8
11
IC03
4
VSS
7
SR
6
10
R19
CLOCK OSCILLATOR
IC02
20KHZ
TP03
3
7
48
3.32K
R20
10K
POT5
CW
CLK
13=OPEN
3
10
R
9
4013
12=OPEN
VDD
14
Q
1
C13
.47
R23
10
TP05
+15Z
C18
.0015
R36
680
1/2W
2N4401
D51
10K
R31
.47
C20
2
-
+
IC05
D10
TP16
D50
D11
TP13
6
499
R26
Q2
D12
Z
TP21
MAX ERROR
#
100K
R34
TP09
TP06
Z
CW
10K
#
POT4
+15Z
10K
TP20
R33
13
6
14
M57962L
IC06
8
C23
1
ZD7
5
4
TP32
IC10
R55
2.21K
2
D09
1
+15H
TP17
+15Z
TP12
C14
R22
IC04
2
2
1
+15Z
5
3
TP11
IC04
6
5
10
Z
7
.47
14
4
P2-1
P2-3
1K 10K
R87
TP19
1K
R24
+15Z
R29
P2-6P2-5
D08
TP18
8
IC04
9
10
C17
R32
221
560
PF
Z
10K
R25
1K
12
IC04
13
CW
POT1
+15Z
P2-4
P2-2
POT1˜3.32K
1
2
3
4
5
6
7
8
9
10
11
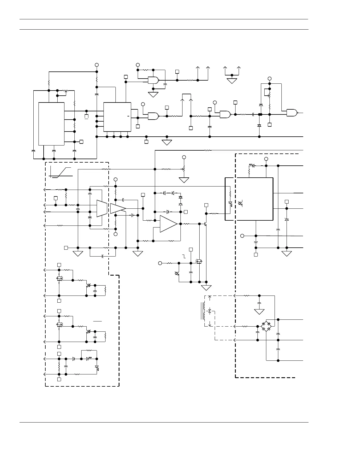
6.11 IGBT Driver Board (PCB2,3 – P/N 38030) Drawing 1 Part 1

Related product manuals