EasyManua.ls Logo

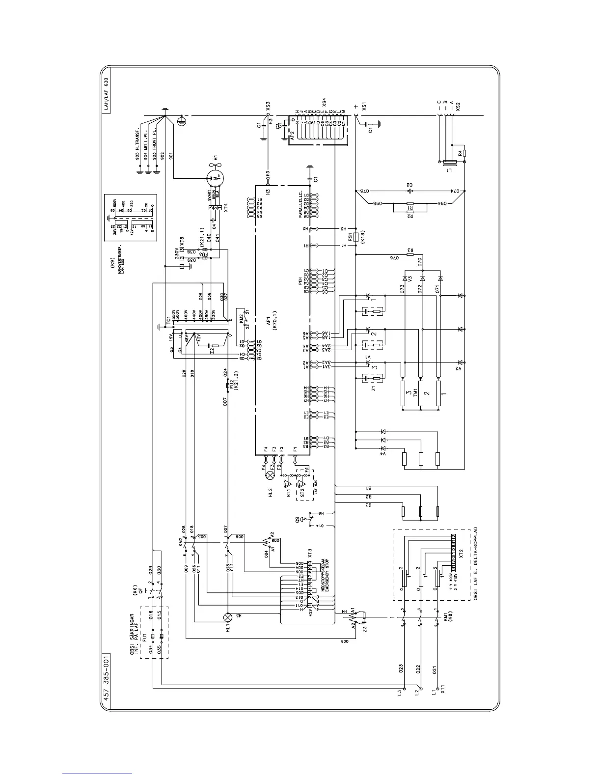
ESAB LAF 800 - Schema; Diagram

ESAB LAF 800
Print Icon
To Next Page IconTo Next Page
To Next Page IconTo Next Page
To Previous Page IconTo Previous Page
To Previous Page IconTo Previous Page
Loading...
Schema Diagram
-- 2 6 --
dia3e11a

Related product manuals