EasyManua.ls Logo

Etel DSCDM - Page 136

Default Icon
370 pages
Print Icon
To Next Page IconTo Next Page
To Next Page IconTo Next Page
To Previous Page IconTo Previous Page
To Previous Page IconTo Previous Page
Loading...
Operation & Software Manual
136
Direct Drives & Systems
Chapter C: System functions ETEL Doc. - Operation & Software Manual # DSC2P 903 / Ver. F / 3/6/05
External position reference mode: K61=36 (refer to §13.2.1 for more information)
Other parameters
Some parameters (other than those mentioned above), previously described in this manual, must be used with
stepper in open loop:
Commutation look-up table parameters: K52 and K53 must be equal to 0 (refer to §12.7.1.4
for more information)
Force inversion given by parameter K56 (refer to §12.2
for more information). Changing the
force in stepper mode as the same effect than changing the movement direction
Encoder interpolation shift value given by parameter K77 must be equal to 0 (refer to §13.10
for more information)
Encoder type selection given by parameter K79 must be equal to 20, 21, 23 or 24 (refer to
§12.3
for more information)
Current loop parameters given by parameters K80, K81 and K82 (refer to §13.1.2.2
and
§13.1.2.3
for more information)
Current limits given by parameters K83, K84 and K85 (refer to §12.4.2
for more information)
Motor phase number given by parameter K89 must be equal to 20 or 30 (refer to §12.2
for
more information)
The number of period per turn given by parameter K241 which is equal to K54 x 2 (refer to
§12.3
for more information)
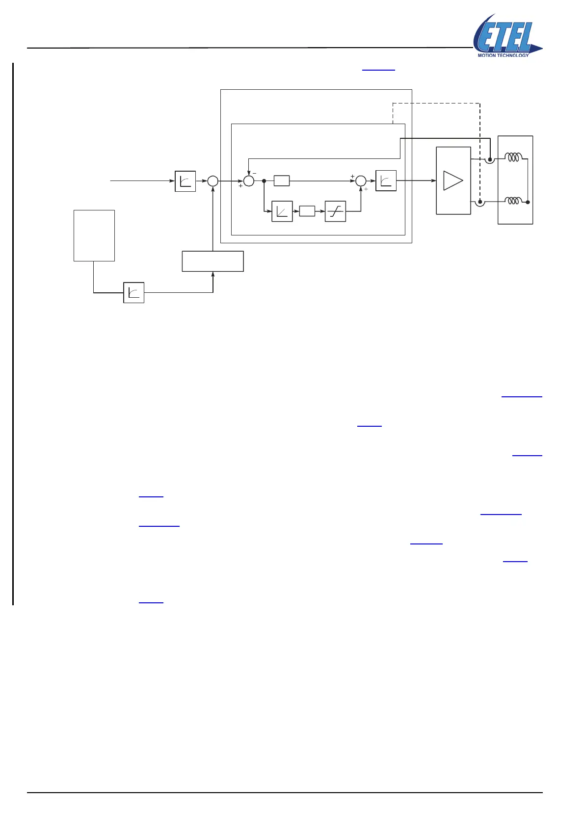
x
Integrator
Limit
1
st
order
filter
Current in phase 1
Phase 1
Phase 2
Motor
Current loop : 2 phases
I
1
K80
K81
K82
1
st
order
filter
K9
Motor commutation
look-up table
Theoretical
Current
reference
K60
trajectory
External
position
reference
1
st
order
filter
K213

Table of Contents

Related product manuals