EasyManua.ls Logo

Eton MINI 300.2 - Konfigurationsbeispiele; Configuration Suggestions

Eton MINI 300.2
28 pages
Print Icon
To Next Page IconTo Next Page
To Next Page IconTo Next Page
To Previous Page IconTo Previous Page
To Previous Page IconTo Previous Page
Loading...
11
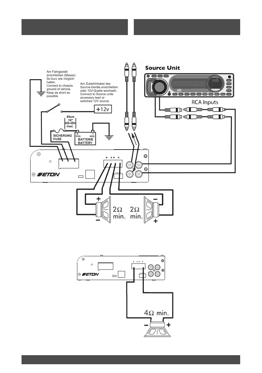
2 KANAL
2 CHANNEL
Mono überbrückt
Mono bridged
VERKABELUNG
WIRING
KONFIGURATIONSBEISPIELE
CONFIGURATION SUGGESTIONS
SUB
PWR
PRT
REMOTE
OUT CH 1
OUTMINI 300.2 | CLASS-D POWER AMPLIFIER CH 2
AUTO
SENSE
OFF
SIG
POWER
DC
SPEAKER OUTPUT
B+
REM GND
CH 2
CH 1
HI-LEVEL IN
CH 2
CH 1
PWR
PRT
REMOTE
OUT CH 1
OUTMINI 300.2 | CLASS-D POWER AMPLIFIER CH 2
AUTO
SENSE
OFF
SIG
POWER
DC
SPEAKER OUTPUT
B+
REM GND
CH 2
CH 1
HI-LEVEL IN
CH 2
CH 1

Related product manuals