EasyManua.ls Logo

EverRide WASP - 32 Front Deck Assembly

Default Icon
46 pages
Print Icon
To Next Page IconTo Next Page
To Next Page IconTo Next Page
To Previous Page IconTo Previous Page
To Previous Page IconTo Previous Page
Loading...
14 -
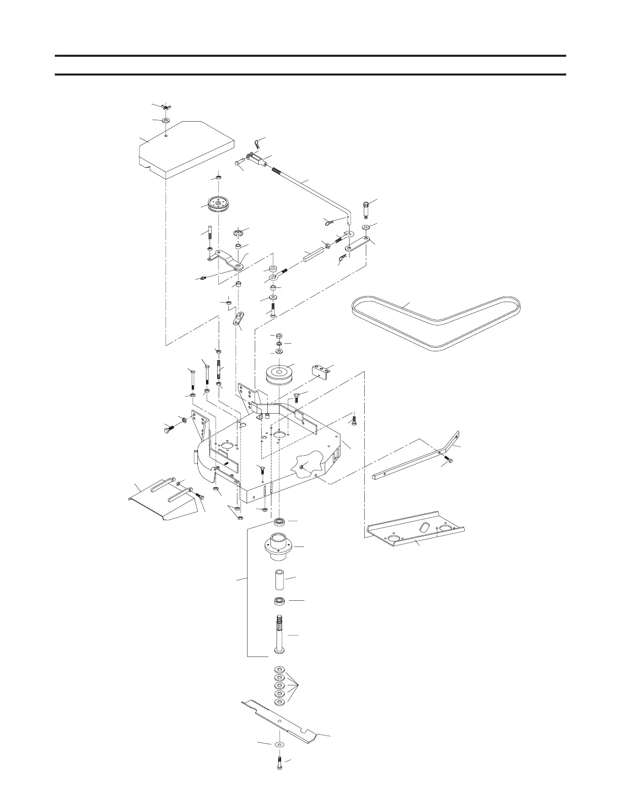
32” Front Deck Assembly
39
20
39
27
28
49
3
40
2
1
41
18
63
34*
53
52
14
61
50
11
46
43
57
43
28
10
9
56
20
20
48
50
44
13
47
20
62
37
20
29
60
6
36
17
16
15
2
19
25
26
21
22
20
7
25
24
5
42
35
59
5
30
13
8
5
51
58
12

Related product manuals