EasyManua.ls Logo

EverRide WASP - Page 26

Default Icon
46 pages
Print Icon
To Next Page IconTo Next Page
To Next Page IconTo Next Page
To Previous Page IconTo Previous Page
To Previous Page IconTo Previous Page
Loading...
24 -
5
14
13
20
20
45
44
41
42
26
63
62*
18
60
61
45
20
20
46
59
56
58
45
56
57
51
23
24
37
35
39
22
40
2
38
43
26
27
24
35
36
2
52
1
2
65
20
47
35
29
28
30
34
49
20
17
16
65
19
2
26
15
20
27
24
24
25
48
4
5
20
6
66
7
21
23
8
53
54
13
20
50
64
55
5
11
9
10
12
31
32
33
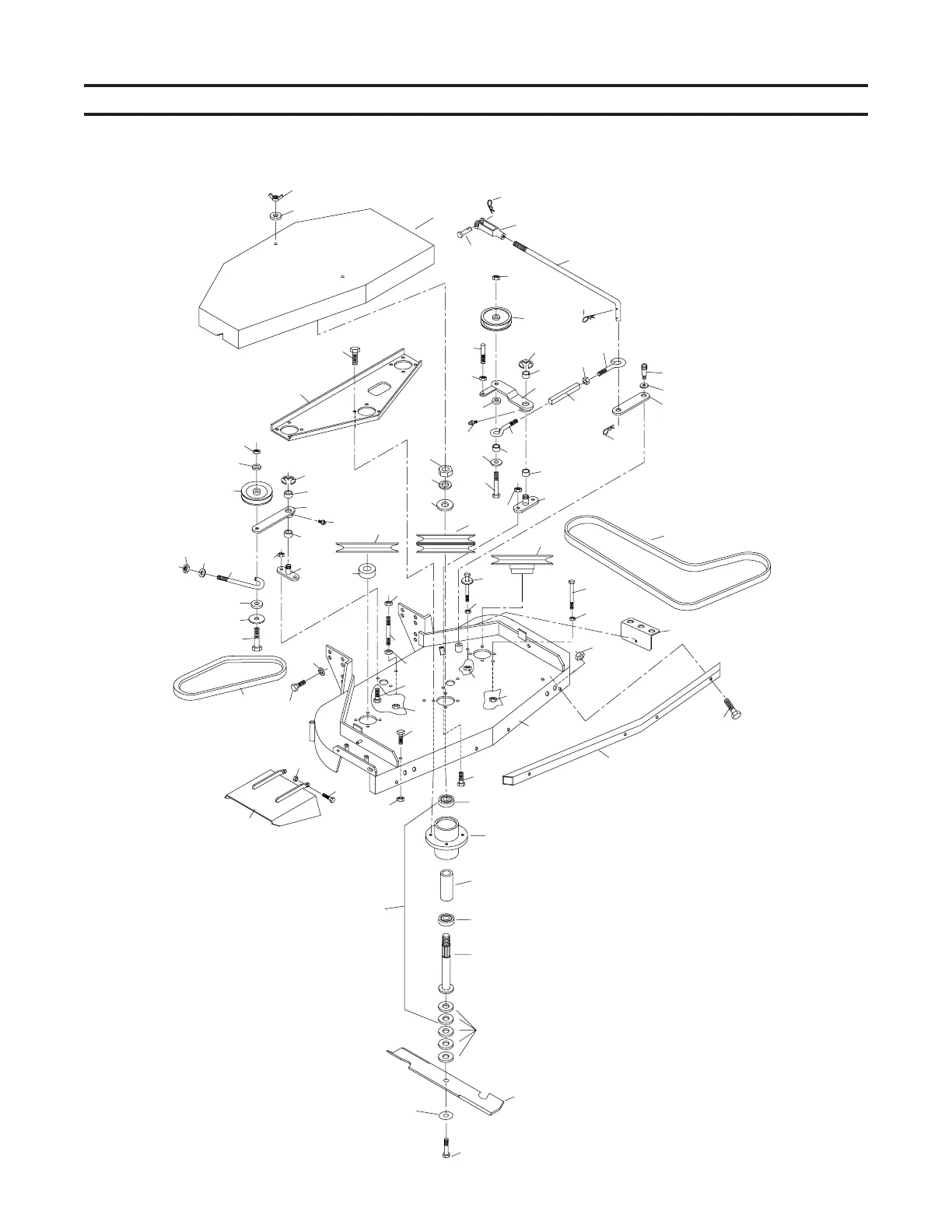
48” Front Deck Assembly

Related product manuals