EasyManua.ls Logo

Evo EV525T - Exploded Drawing

Evo EV525T
24 pages
Print Icon
To Next Page IconTo Next Page
To Next Page IconTo Next Page
To Previous Page IconTo Previous Page
To Previous Page IconTo Previous Page
Loading...
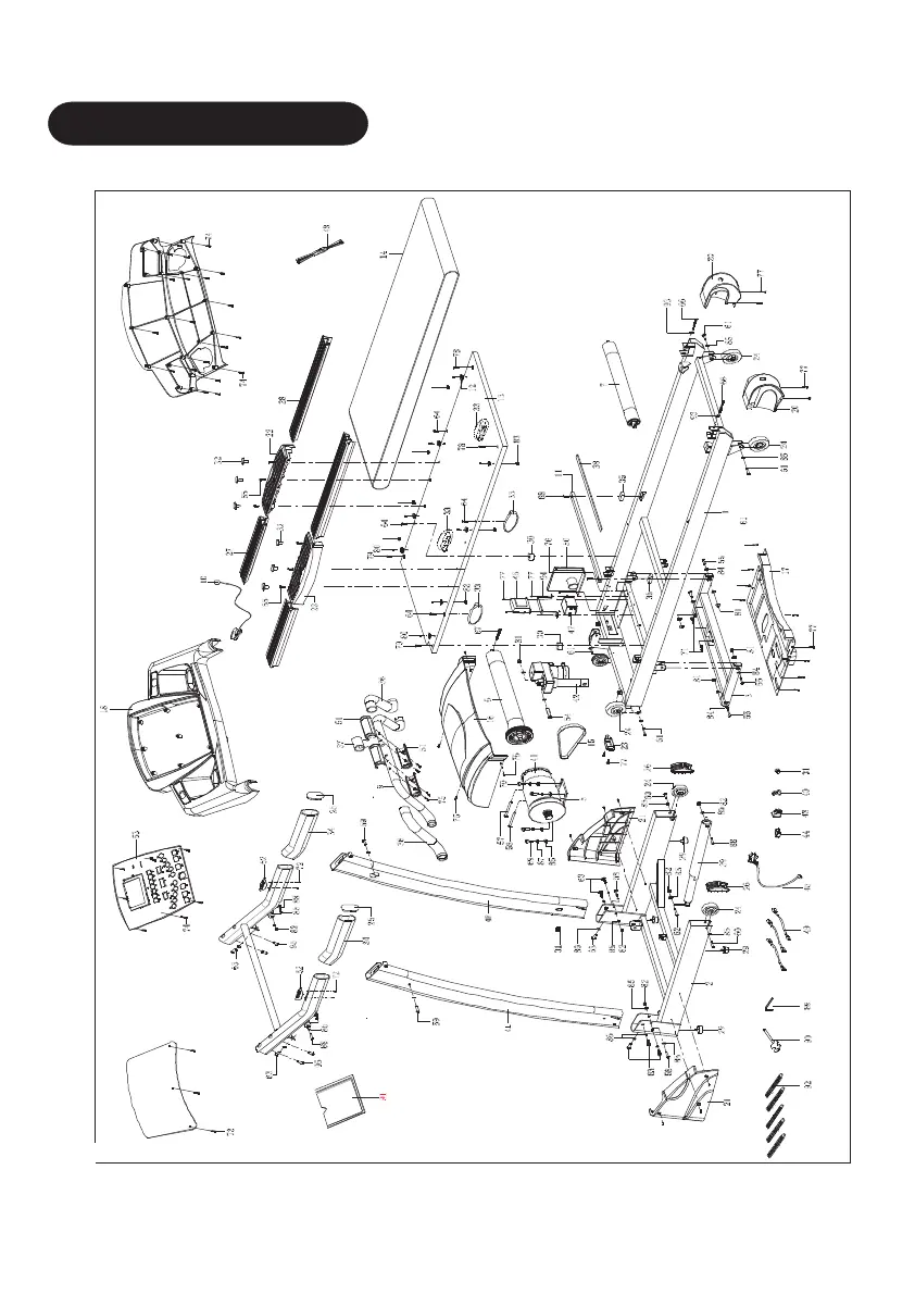
EXPLODED DRAWING
19

Related product manuals