EasyManua.ls Logo

Evolution EVOE10GX - Page 32

Evolution EVOE10GX
72 pages
Print Icon
To Next Page IconTo Next Page
To Next Page IconTo Next Page
To Previous Page IconTo Previous Page
To Previous Page IconTo Previous Page
Loading...
DE
32
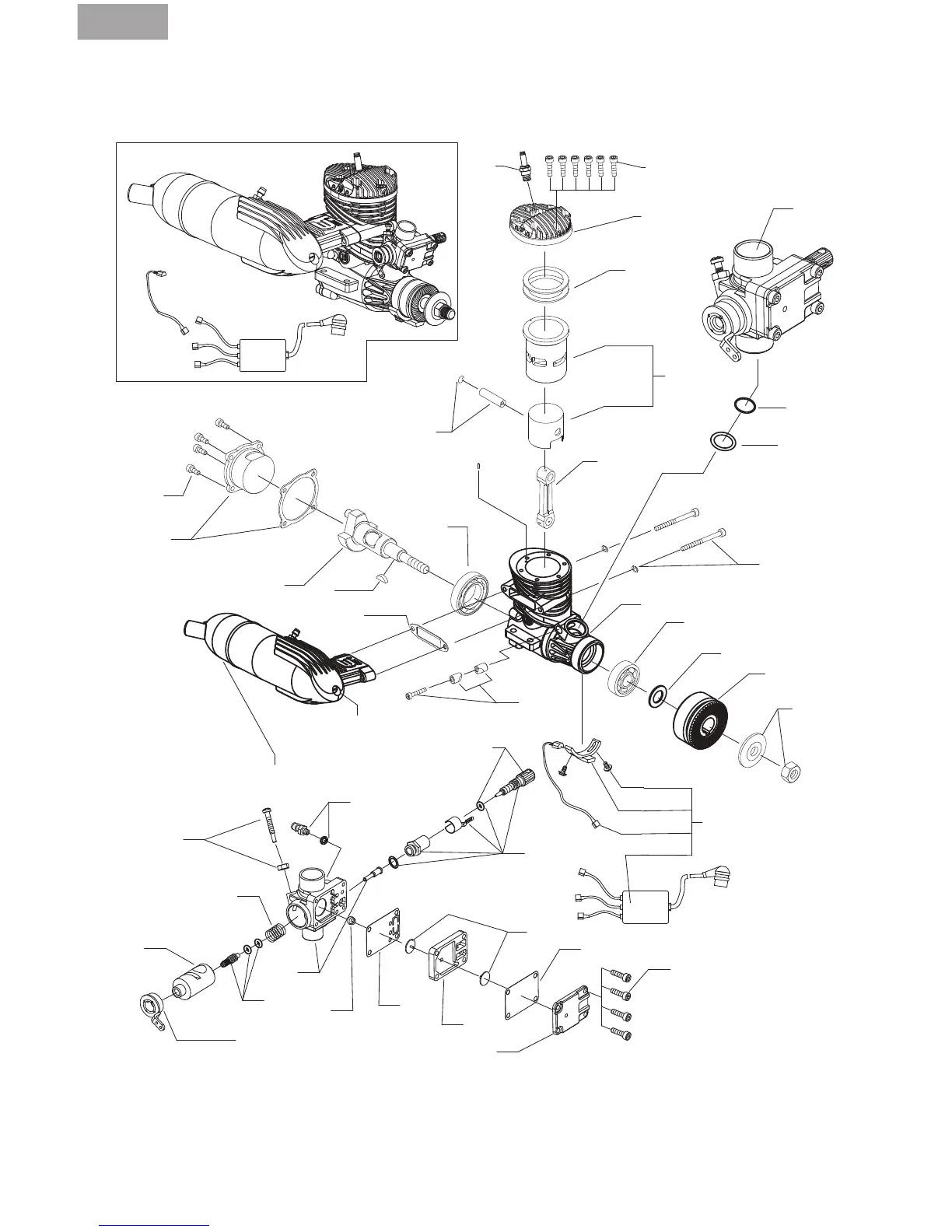
Explosionszeichnung
8
10
11
20
12
6
13
7
41
4
3
1
15
16
17
9
5
32
39
33
37
40
30
27
30
31
26
34
35
36
29
28
24
21
2
25
23
22
14
19
18
38

Related product manuals