EasyManua.ls Logo

EWT Clima WP 300 - Page 40

EWT Clima WP 300
Print Icon
To Next Page IconTo Next Page
To Next Page IconTo Next Page
To Previous Page IconTo Previous Page
To Previous Page IconTo Previous Page
Loading...
A-VI
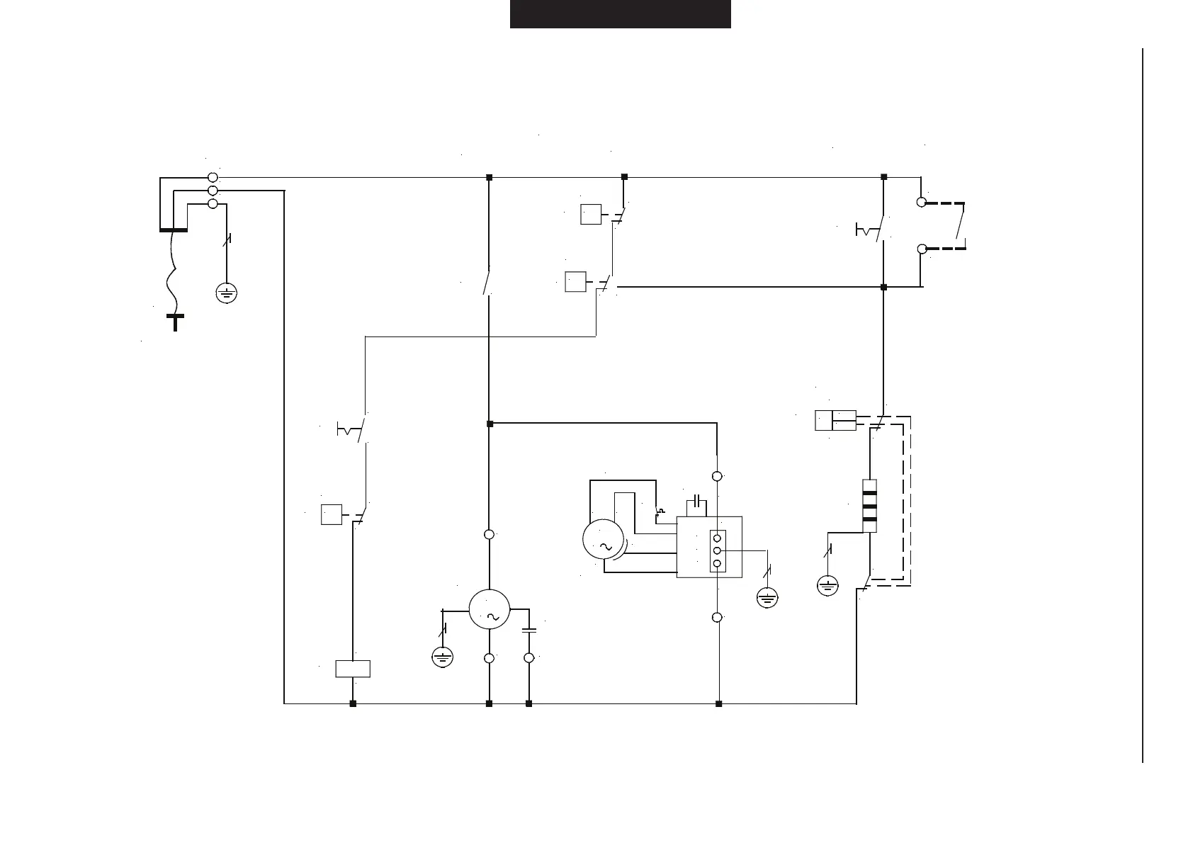
Anhang · Appendix · Príloha
2.2
2.2 Warmwasser-Wärmepumpen ohne innerem Wärmetauscher / Hot-
Water Heat Pumps without Internal Heat Exchanger / Teplá voda
Tepelná !erpadla pro oh ev vody bez vnit ního vým"níku tepla
;
$
.
$
$
&
0
0
/
1
EO

3(
3
)
&
EQ
.

0
;
&
;
0
/13(9$&+]
;
3!)
EDU
;
/
3(
1
7
%
.

&
(
%
)
&
75
67%
&
7!
&
6
6
7!
%
&
;
;
JUQJHOE
*UHHQ\HOORZ
]HOHQiåOXWi
VFKZDU]
%ODFN
þHUQi
:lUPHSXPSH
+HDWSXPS
7HSHOQpþHUSDGOR
(OHNWUR+HL]VWDE
(OHFWULFKHDWLQJHOHPHQW
(OHNWULFNiWRSQiW\þ
9HUGLFKWHU
&RPSUHVVRU
.RPSUHVRU
9HQWLODWRU
9HQWLODWRU
9HQWLOiWRU
3RWIUHLHU.RQWDNW
IU+HL]VWDEDQVW
)ORDWLQJFRQWDFW
IRUKHDWLQJHOHPHQWFRQWUR
O
%H]QDSČĢRYêNRQWDNW
SURRYOiGiQtWRSQpW\þH

9$&PLQ$

Table of Contents