EasyManua.ls Logo

EWT Clima WP 300 - Stromlaufpläne; Circuit Diagrams; Schémata Zapojení; Warmwasser-Wärmepumpen mit Innerem Wärmetauscher; Hot-Water Heat Pumps with Internal Heat Exchanger; Teplá Voda Tepelná Èerpadla Pro Ohøev Vody S VnitøníM VýMìníkem Tepla

EWT Clima WP 300
Print Icon
To Next Page IconTo Next Page
To Next Page IconTo Next Page
To Previous Page IconTo Previous Page
To Previous Page IconTo Previous Page
Loading...
A-V
Anhang · Appendix · Príloha
2.1
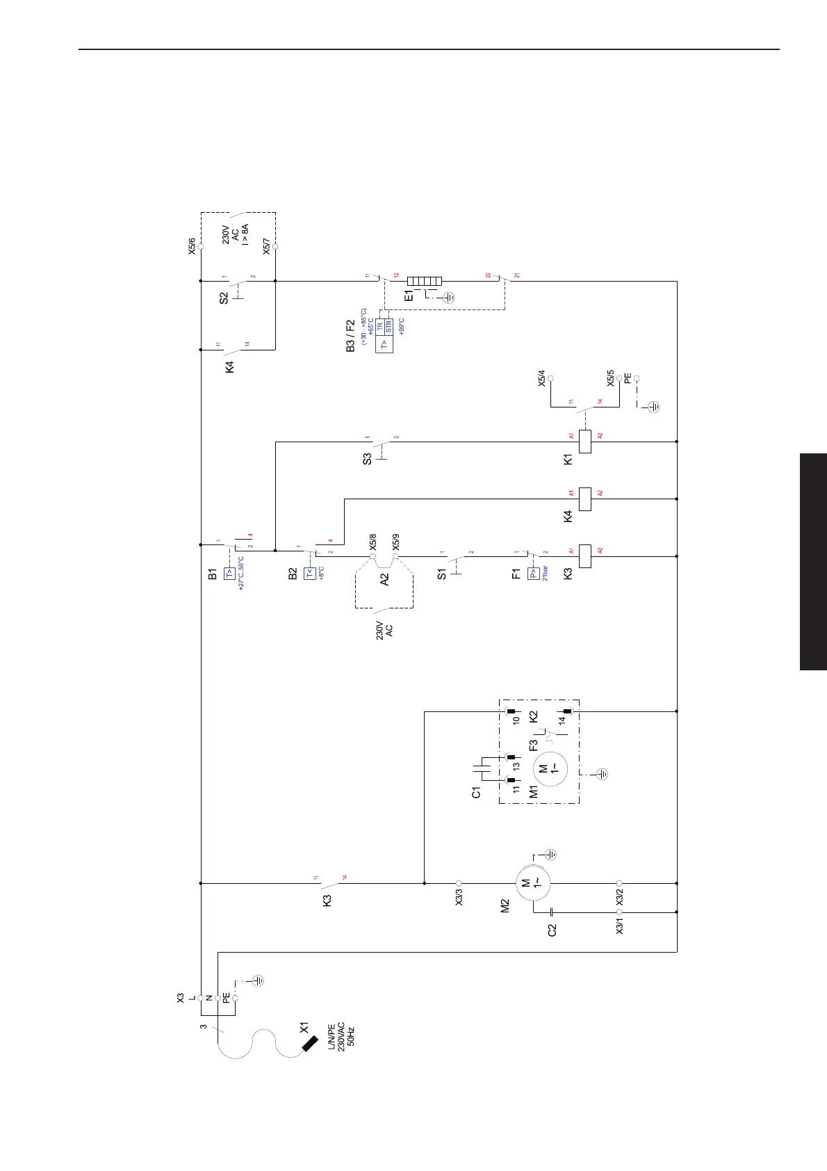
2 Stromlaufpläne / Circuit Diagrams / Schémata zapojení
2.1 Warmwasser-Wärmepumpen mit innerem Wärmetauscher / Hot-Water
Heat Pumps with Internal Heat Exchanger / Teplá voda Tepelná
!erpadla pro oh ev vody s vnit ním vým"níkem tepla

Table of Contents