EasyManua.ls Logo

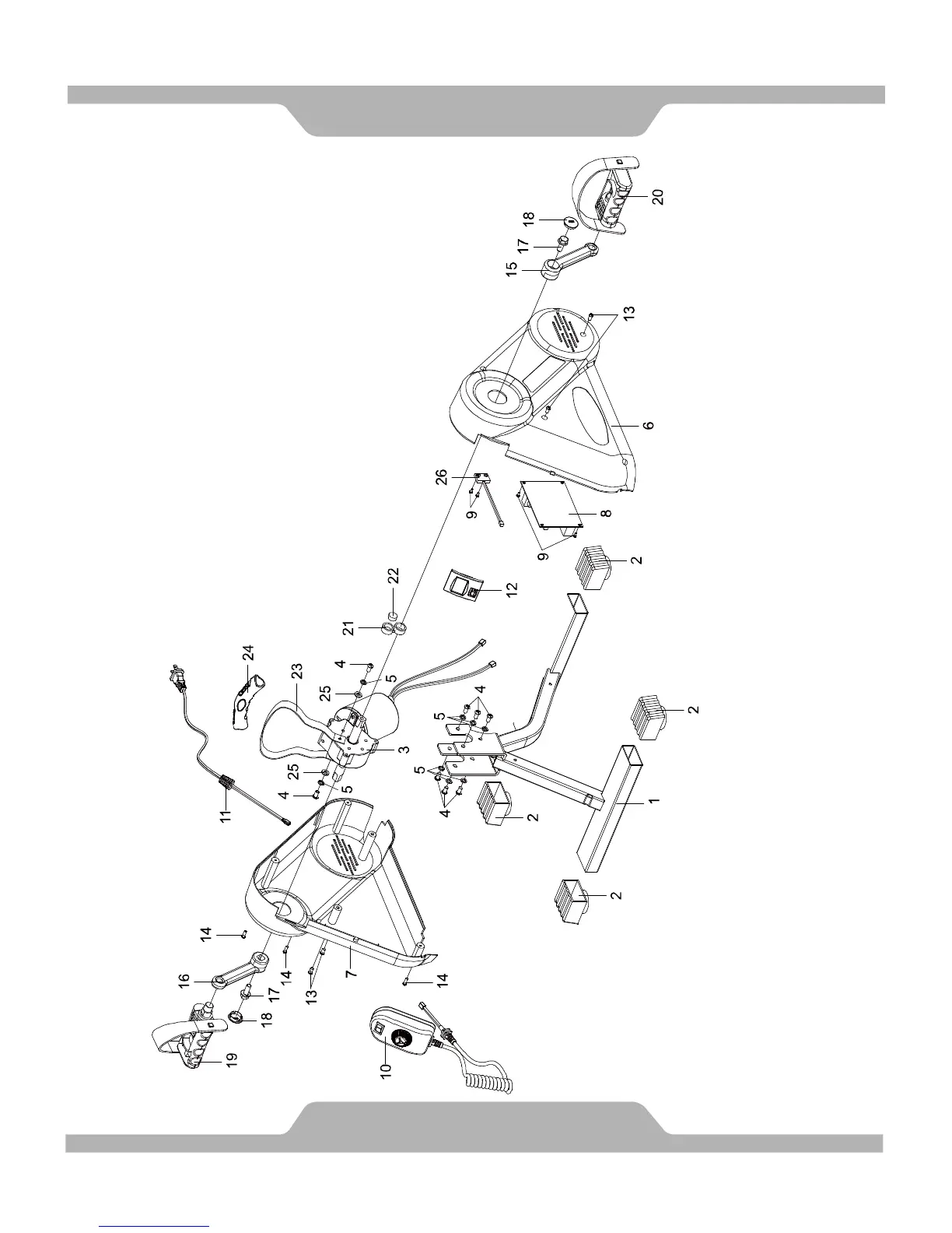
Exerpeutic ACTIVcycle 7101 - Overview Drawing

Exerpeutic ACTIVcycle 7101
15 pages
Print Icon
To Next Page IconTo Next Page
To Next Page IconTo Next Page
To Previous Page IconTo Previous Page
To Previous Page IconTo Previous Page
Loading...
OVERVIEW DRAWING
5

Related product manuals