EasyManua.ls Logo

Extel MULTI PRO - Page 4

Extel MULTI PRO
Print Icon
To Next Page IconTo Next Page
To Next Page IconTo Next Page
To Previous Page IconTo Previous Page
To Previous Page IconTo Previous Page
Loading...
CFI EXTEL MULTI PRO - 12/2011
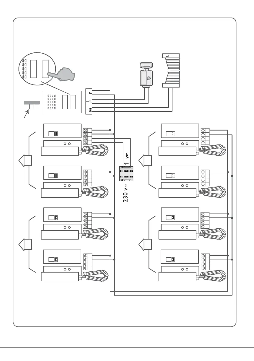
Fig. 6
*
: Option - Opzione - Opcional - Opçao - Optie - Optionen : CB BUS PRO 2
2 1
3 4
JP3
JP2
JP1
JP2
JP1
JP2
JP1
JP2
JP1


 
8
-
+
JP2
JP1
JP2
JP1
JP2
JP1
JP2
JP1


 
12
34
*
*
*
*
*
*

Related product manuals