EasyManua.ls Logo

Extra 200 - Page 226

Extra 200
330 pages
Print Icon
To Next Page IconTo Next Page
To Next Page IconTo Next Page
To Previous Page IconTo Previous Page
To Previous Page IconTo Previous Page
Loading...
CHAPTER 32
PAGE 11
EXT
RA - FLUGZEUGBAU GmbH
SERVICE MANUAL EXTRA 200
PAGE DATE: 1. July 1996
WHEELS AND BRAKES
32-41-00 MAINTENANCE PRACTICIES
32-41-01 Master Cylinder
Removal/Installation
1 Drain the brake system.
2 Disconnect the fuel lines.
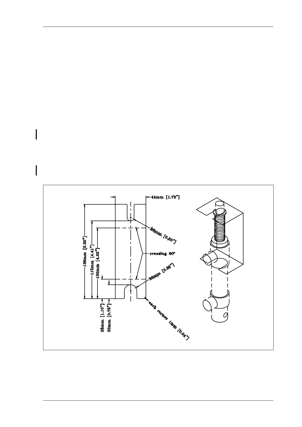
3 Fix the master cylinder spring using a mounting aid as
shown in Figure 6 (Cleveland master cylinder only).
4 Remove the attachment bolts.
5 Remove the master cylinder.
7 Remove mounting aid (Cleveland only).
6 Install in reverse sequence of removal.
Master Cylinder Mounting Aid
Figure 6
General
PAGE DATE: 15. December 1999

Other manuals for Extra 200

Related product manuals