EasyManua.ls Logo

Fac S220 Pro - Main Components I

Default Icon
32 pages
Print Icon
To Next Page IconTo Next Page
To Next Page IconTo Next Page
To Previous Page IconTo Previous Page
To Previous Page IconTo Previous Page
Loading...
9
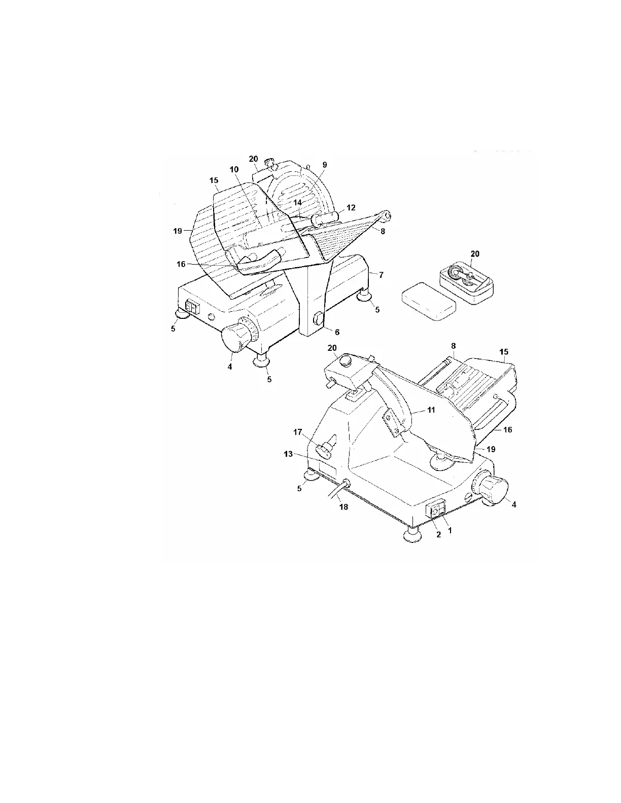
MAIN COMPONENTS I
F 195
S 220
F250 ES
1. STARTUP BUTTON (GREEN)
2. STOP BUTTON (RED)
3. N.A.
4. SLICE THICKNESS CONTROL KNOB
5. ADJUSTABLE FOOT
6. CARRIAGE TRAY SUPPORT
7. BASE
8. PRODUCT TRAY
9. BLADE PLATE
10. PRODUCT GRIP
11. BLADE
12. PRODUCT GRIP HANDLE
13. MANUFACTURER IDENTIFICATION
PLATE, MACHINE DATA AND UE MARKS
14. PRODUCT GRIP HAND PROTECTION
15. PRODUCT TRAY HAND PROTECTION
16. PRODUCT TRAY HANDLE
17. BLADE PLATE TIE-ROD
18. SUPPLY CORD
19. GAUGE PLATE
20. SHARPENER

Related product manuals