EasyManua.ls Logo

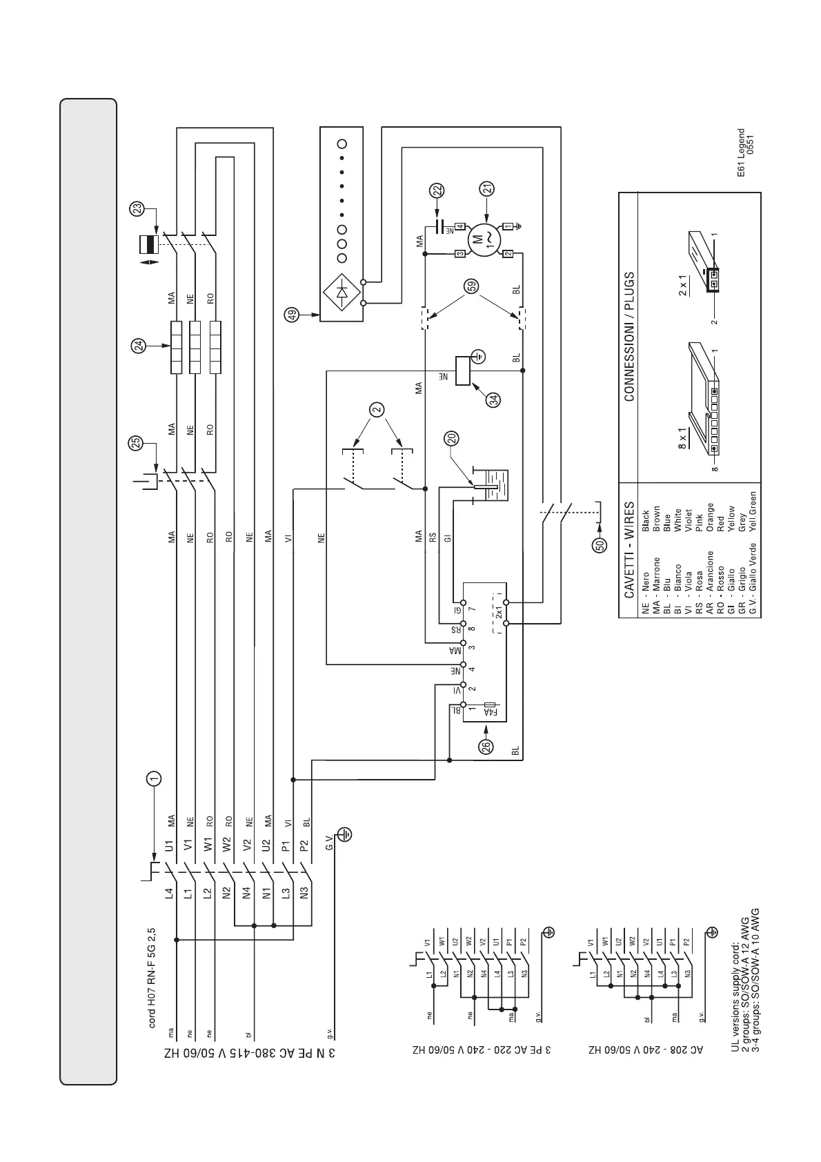
Faema E61 2 GR - Electrical Wiring Diagrams and Connections; Wiring Diagram: 3-Phase 220-240 V; Wiring Diagram: 3-Phase 380-415 V; Wiring Diagram: AC 208-240 V

Faema E61 2 GR
30 pages
Print Icon
To Next Page IconTo Next Page
To Next Page IconTo Next Page
To Previous Page IconTo Previous Page
To Previous Page IconTo Previous Page
Loading...
96
Schema elettrico - Wiring diagram - Schéma éléctrique - Elektrischer Shaltplan - - Esquema electrico - Esquema eléctrico

Other manuals for Faema E61 2 GR

Related product manuals