EasyManua.ls Logo

Faema E61 3 GR - Electrical Wiring Diagrams

Faema E61 3 GR
30 pages
Print Icon
To Next Page IconTo Next Page
To Next Page IconTo Next Page
To Previous Page IconTo Previous Page
To Previous Page IconTo Previous Page
Loading...
96
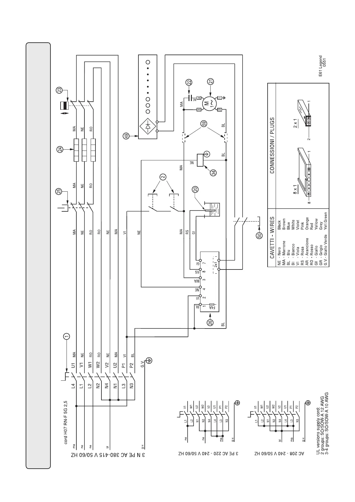
Schema elettrico - Wiring diagram - Schéma éléctrique - Elektrischer Shaltplan - - Esquema electrico - Esquema eléctrico

Related product manuals