EasyManua.ls Logo

Falcon E421 - Page 20

Falcon E421
24 pages
Print Icon
To Next Page IconTo Next Page
To Next Page IconTo Next Page
To Previous Page IconTo Previous Page
To Previous Page IconTo Previous Page
Loading...
20
N
E
43
TO ELEMENT
BOX
L1
L2
L3
TO CONTROL
PAN EL
42
SAFETY
CONTACTOR
A1
A2
SAFETY
STAT
G5 FAST
CONTROLLER
POWER
NEON
HEAT
NEON
HEAT
NEON
A2
A1
OPERATING
POWER
SWITCH
2A FUSE
2A FUSE
ON/OFF
SWITCH 1
THERMISTOR
PROBE
THERMISTOR
PROBE
13 15 17
22 37
53
7911
531
45 46
246
48
47
32
31
14 16 18
40
39
81012
20
24
23
29
30
96
93 86
84
83
91
92
101
27
100
26
95
98
99
33
81 82
97
102
103
C5
C5
C9
C6
C6
G5 FAST
CONTROLLER
44
ON/OFF
SWITCH 2
C8
C7
BALLAST
RESISTOR
1K5
BALLAST
RESISTOR
1K5
C8
C7
58
57
60
59
88
108
87
107
10490
34
105
110
20
34
45
46
38
21
106
85
109
TILT
SWITCH
26
27
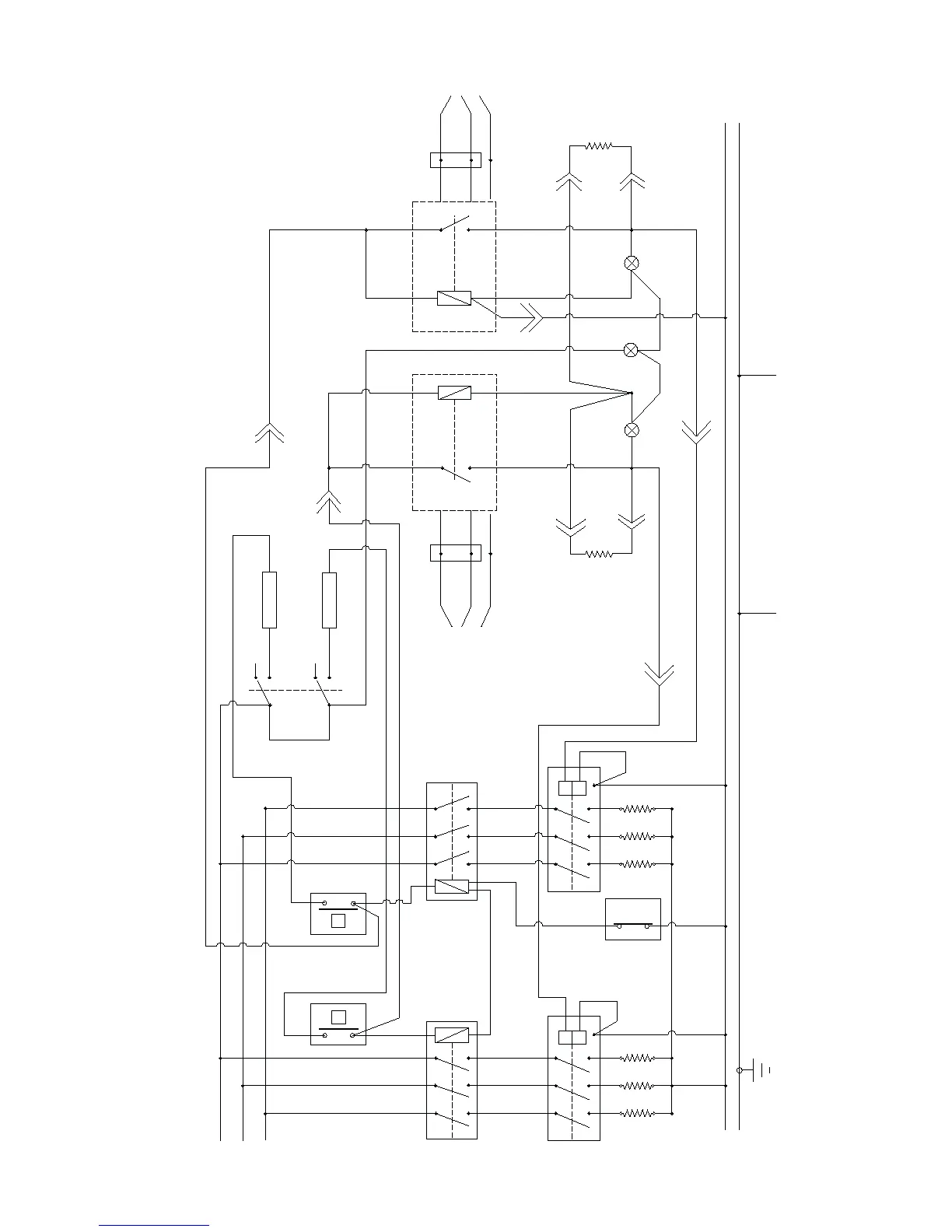
CIRCUIT DIAGRAM for E421

Related product manuals