EasyManua.ls Logo

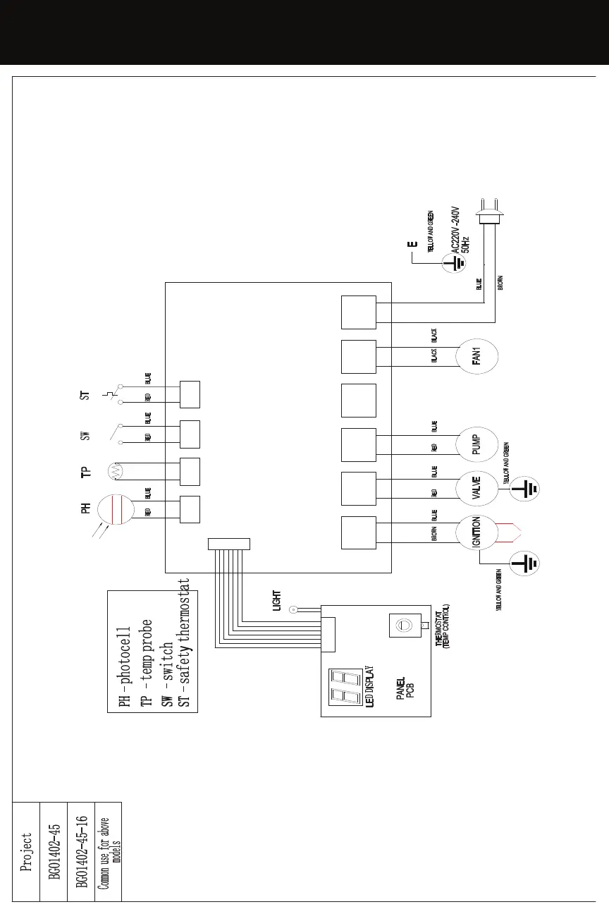
Fanmaster HDR40 - Wiring Diagram

Fanmaster HDR40
16 pages
Print Icon
To Next Page IconTo Next Page
To Next Page IconTo Next Page
To Previous Page IconTo Previous Page
To Previous Page IconTo Previous Page
Loading...
6. WIRING DIAGRAM5. CLEANING, MAINTENANCE & STORAGE - CON