EasyManua.ls Logo

Fantech 150H-EC - Wiring Diagram - HERO 150 H-EC, 250 H-EC

Fantech 150H-EC
32 pages
Print Icon
To Next Page IconTo Next Page
To Next Page IconTo Next Page
To Previous Page IconTo Previous Page
To Previous Page IconTo Previous Page
Loading...
11
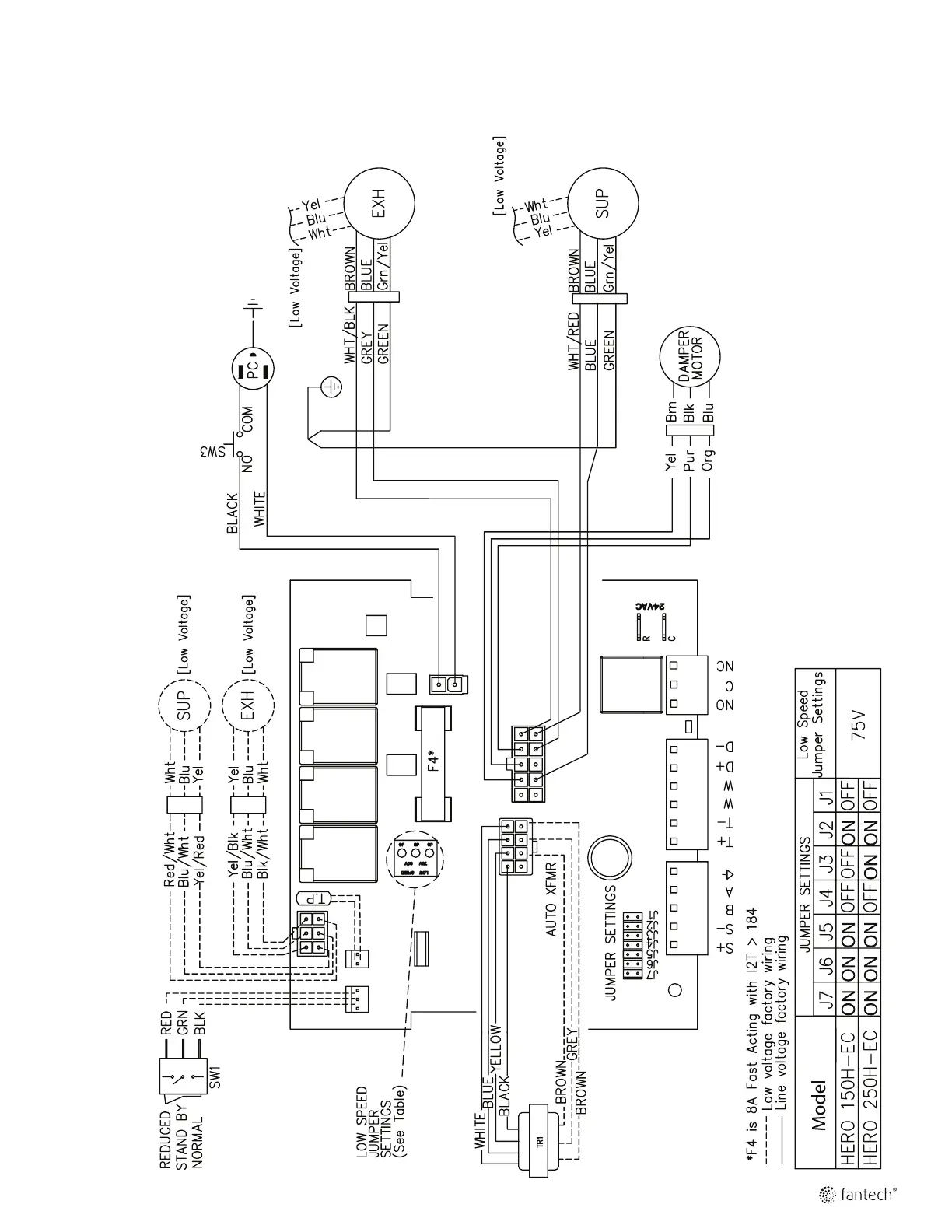
WIRING DIAGRAM - HERO 150H-EC, 250H-EC (CONT'D)

Related product manuals