EasyManua.ls Logo

Faraday 15220A - Page 38

Default Icon
66 pages
Print Icon
To Next Page IconTo Next Page
To Next Page IconTo Next Page
To Previous Page IconTo Previous Page
To Previous Page IconTo Previous Page
Loading...
III- 23
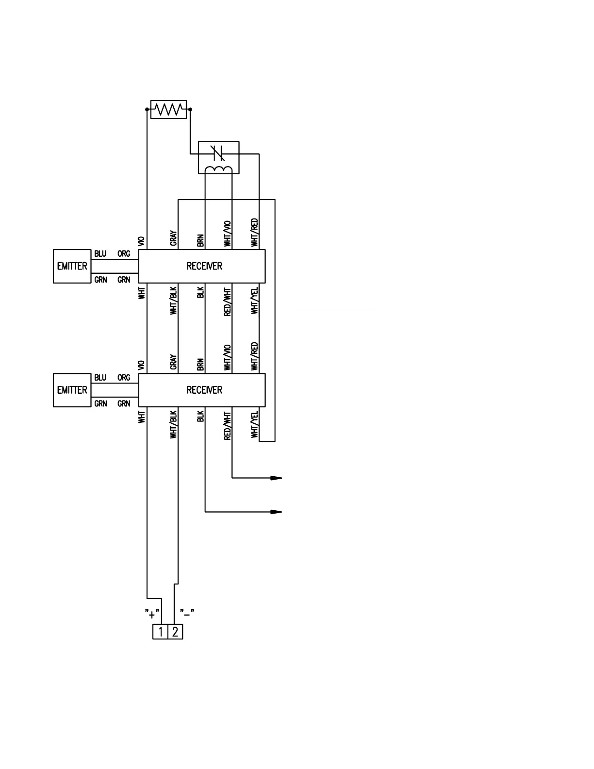
TYPICAL INITIATING DEVICE WIRING DIAGRAM
SYSTEM SENSOR FOUR-WIRE (SEPARATELY POWERED)
24V.D.C. PROJECTED BEAM SMOKE DETECTORS
Notes:
1.) This wiring diagram only shows general
information about the initiating device. For
specific wiring and installation information
read the instructions provided with each
device.
2.) For initiating circuit specifications see the
15220A Wiring Diagram (445928) or the
15240A Wiring Diagram (445929).
END OF LINE RESISTOR
(3.9K OHM 1/2 WATT)
END OF LINE RELAY
FARADAY 9423 OR
SYSTEM SENSOR A77-716-02
FARADAY CAT. NO.
9175 SMOKE DETECTOR
DETECTOR
SYSTEM SENSOR CAT. NO.
6424 SMOKE DETECTOR
INITIATING
CIRCUIT
TO "R" TERMINAL ON THE CONTROL UNIT
TO "-" TERMINAL ON THE CONTROL UNIT
firealarmresources.com

Related product manuals