EasyManua.ls Logo

Faraday 15220A - Page 37

Default Icon
66 pages
Print Icon
To Next Page IconTo Next Page
To Next Page IconTo Next Page
To Previous Page IconTo Previous Page
To Previous Page IconTo Previous Page
Loading...
III- 22
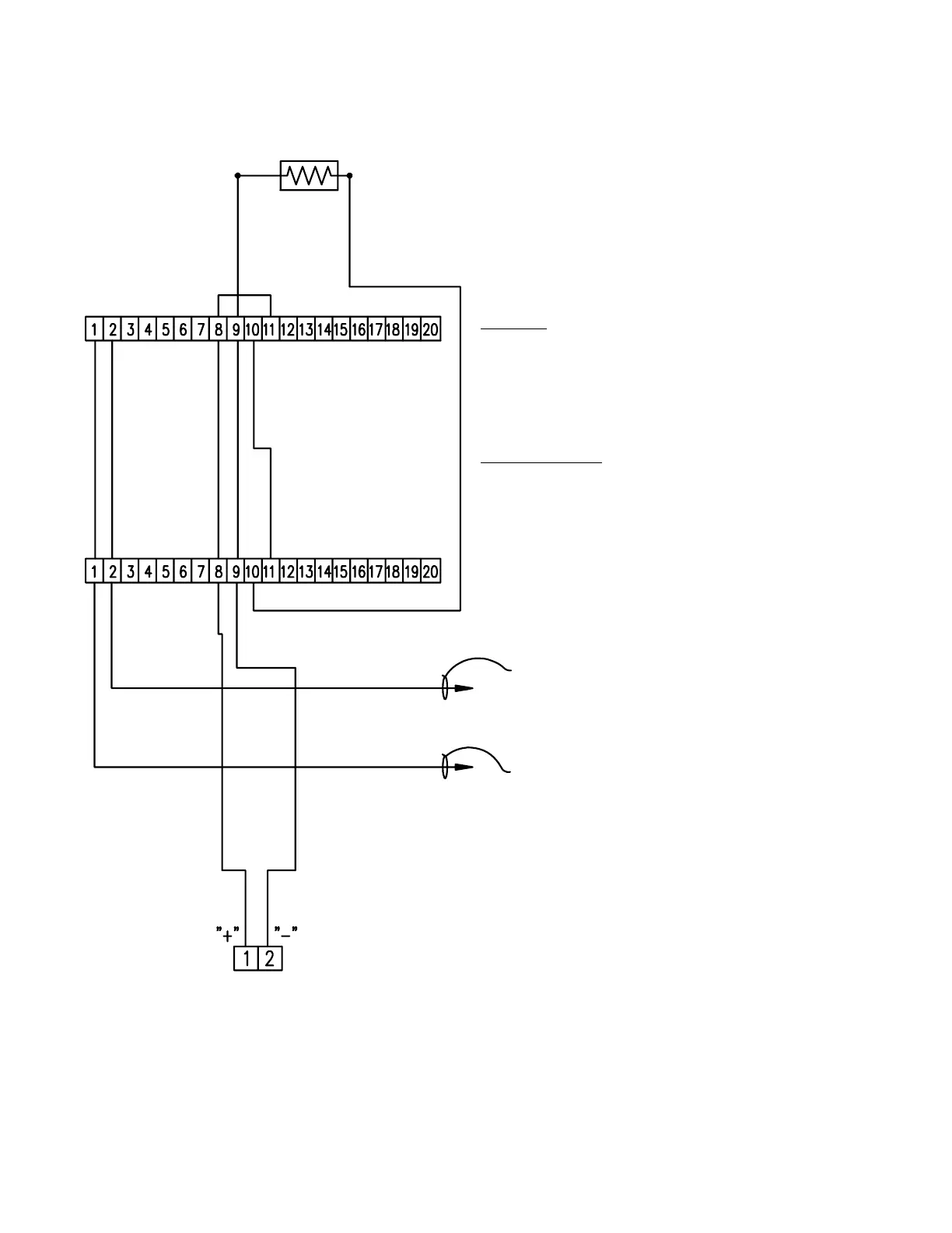
TYPICAL INITIATING DEVICE WIRING DIAGRAM
SYSTEM SENSOR FOUR-WIRE (SEPARATELY POWERED)
24V.D.C. DUCT DETECTORS
Notes:
1.) This wiring diagram only shows general
information about the initiating device. For
specific wiring and installation information
read the instructions provided with each
device.
2.) For initiating circuit specifications see the
15220A Wiring Diagram (445928) or the
15240A Wiring Diagram (445929).
END OF LINE RESISTOR
(3.9K OHM 1/2 WATT)
FARADAY CAT. NO.
9164 OR 9165
DUCT DETECTOR
SYSTEM SENSOR CAT. NO.
DH400ACDCI OR DH400ACDCP
DUCT DETECTOR
INITIATING
CIRCUIT
TO "R" TERMINAL ON THE CONTROL UNIT
TO "-" TERMINAL ON THE CONTROL UNIT
firealarmresources.com

Related product manuals