EasyManua.ls Logo

Faraday 15220A - Page 55

Default Icon
66 pages
Print Icon
To Next Page IconTo Next Page
To Next Page IconTo Next Page
To Previous Page IconTo Previous Page
To Previous Page IconTo Previous Page
Loading...
III- 40
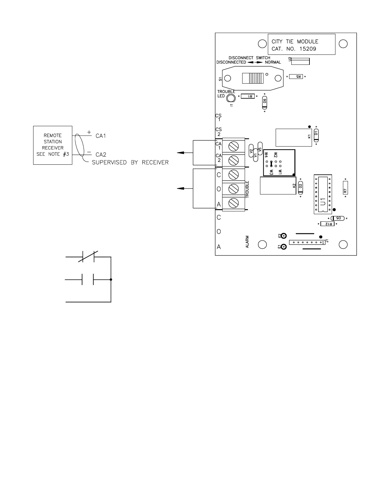
Form "C" contact configuration
(contacts shown in normal standby condition;
transfer for operated condition).
C
O
A
Trouble contacts for power limited source
rated 1A. @ 28 V.D.C., resistive.
Not supervised
Alarm Remote Station Transmitter Circuit
(Power Limited)
16.5 - 28. V.D.C., 14mA. max.
1.2V. Ripple max.
Polarity shown for normal standby condition.
Polarity reversed for alarm condition, open
circuit for trouble conditions.
NOTES:
1.) Units to be installed in accordance with the
National Electrical Code and / or local electrical
codes.
2.) Terminal block will accept a maximum of
#14 AWG wiring or .260" spade terminals.
Terminal block screw size is #6-32.
3.) Intended for connection to a polarity reversal
circuit of a remote station receiving unit having
compatible ratings.
firealarmresources.com

Related product manuals