EasyManua.ls Logo

Farfisa EX3252C - Page 19

Farfisa EX3252C
32 pages
Print Icon
To Next Page IconTo Next Page
To Next Page IconTo Next Page
To Previous Page IconTo Previous Page
To Previous Page IconTo Previous Page
Loading...
- 19 -
Mi 2480
ITALIANOENGLISHFRANÇAISESPAÑOLPORTUGUÊSDEUTSCH
Ajustes de las sonerías del monitor
Réglages de la sonneries du vidéophone
C
HOIX DU MOTIF PR F R
ÉÉÉ
E
LECCI DE LA MELODÍA FAVORITA
Ó
N
C
HOIX DU MOTIF PR F R
ÉÉÉ
E
LECCI DE LA MELODÍA FAVORITA
Ó
N
C
HOIX DU MOTIF PR F R
ÉÉÉ
E
LECCI DE LA MELODÍA FAVORITA
Ó
N
C
HOIX DU NOMBRE DE TONS DES
SONNERIES
(
DE
18
TONS
)
À
E
LECCI DEL N MERO DE TOQUES DE
LAS SONERÍAS
(
DE
1
A
8
TOQUES
)
Ó
N
Ú
C
HOIX DU MOTIF PR F R
ÉÉÉ
E
LECCI DE LA MELODÍA FAVORITA
Ó
N
C
HOIX DU
V
OLUME DES SONNERIES
E
LECCI DEL VOLUME DE LAS
S
ONERÍAS
Ó
N
+
+
+
+
+
+
APPUYER PLUSIEURS FOIS
PRESIONAR M S VECES
Á
APPUYER PLUSIEURS FOIS
PRESIONAR M S VECES
Á
APPUYER PLUSIEURS FOIS
PRESIONAR M S VECES
Á
APPUYER PLUSIEURS FOIS
PRESIONAR M S VECES
Á
APPUYER PLUSIEURS FOIS
PRESIONAR M S VECES
Á
APPUYER PLUSIEURS FOIS
PRESIONAR M S VECES
Á
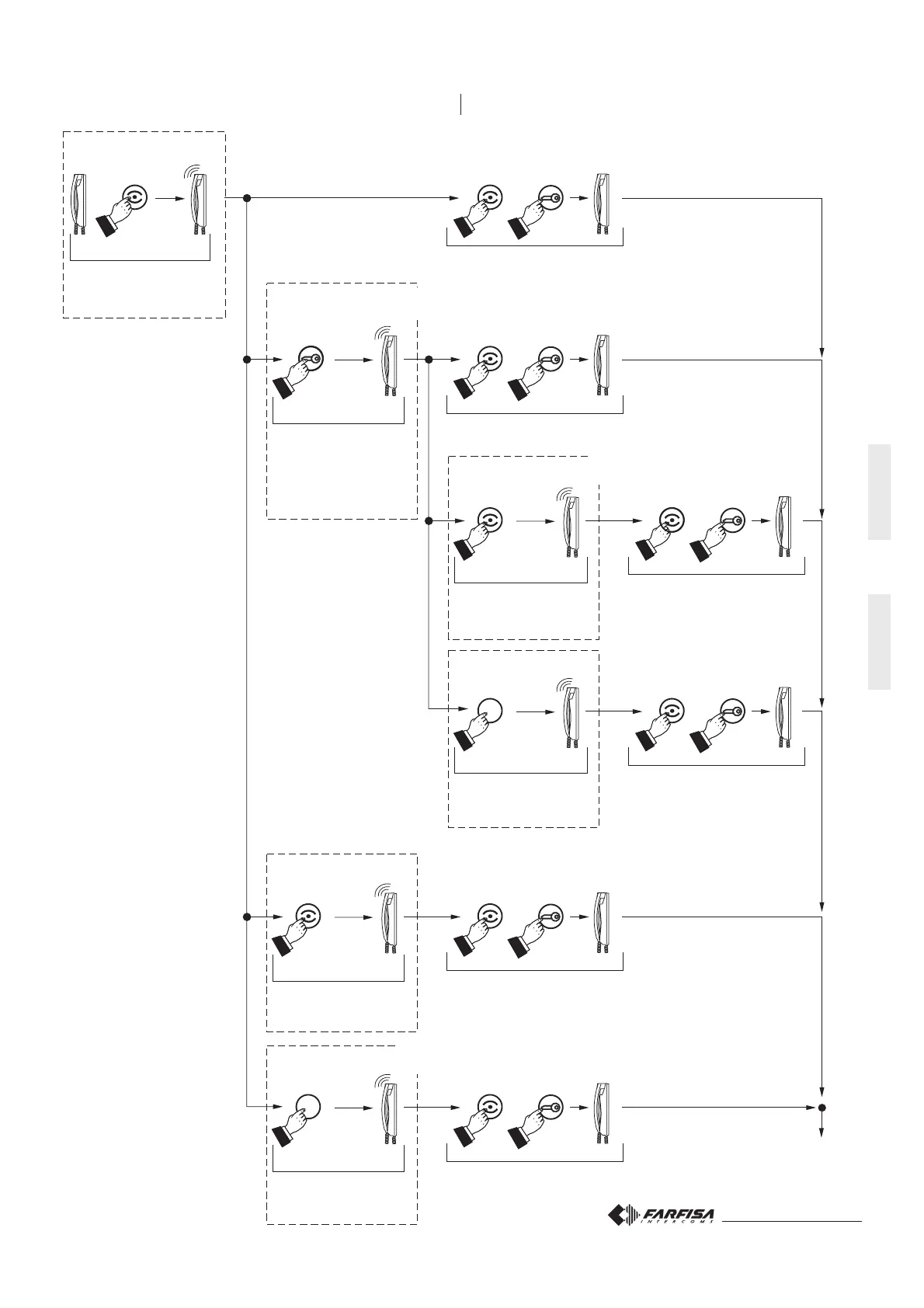
P
ROGRAMMATION
T
YPE
,D
UR E
ET
V
OLUME DES SONNERIES
É
P
ROGRAMMATION SONNERIE
A
PPEL D
'
UN AUTRE UTILISATEUR
P
ROGRAMACI N Í
Ó
S
ONER A
L
LAMADA DE OTRO
U
SUARIO
R
GLAGE DU NOMBRE
DE TONS
É
P
ROGRAMACI N DEL N MERO
DE TOQUES
ÓÚ
P
ROGRAMMATION SONNERIE
A
PPEL DE PALIER
P
ROGRAMACI N Í
PISO
Ó
S
ONER A
L
LAMADA DE
R
GLAGE DU
V
OLUME
DES SONNERIES
É
P
ROGRAMACI N DEL
V
OLUME
DE LAS
S
ONERÍAS
Ó
(
AU MOINS
4
SECONDES
)
(
AL MENOS
4
SEGUNDOS
)
sonnerie plaque de rue
sonería placa de calle
nombre de tons
número de toques
T
U
-
T
U
-
T
U
T
U
-
T
U
-
T
U
T
U
-
T
U
-
T
U
T
U
-
T
U
-
T
U
T
U
-
T
U
-
T
U
T
U
-
T
U
-
T
U
S
ONNERIE
A
PPEL DEPUIS LA PLAQUE DE RUE
S
ONER A LLAMADA DESDE PLACA DE CALLE
Í
S
ONNERIE
A
PPEL
I
NTERCOMMUNICANT
S
ONER A LLAMADA
I
NTERCOMUNICANTE
Í
SONNERIE APPEL D'UN AUTRE UTILISATEUR
SONER A LLAMADA DESDE OTRO USUARIO
Í
N
OMBRE DE TONS
N
MERO DE TOQUES
Ú
S
ONNERIE
A
PPEL DE PALIER
S
ONER A LLAMADA DESDE PISO
Í
V
OLUME DES SONNERIES
V
OLUME
DE LAS
S
ONERÍAS
F
IN DU
PROGRAMMATION
F
INAL DE LA
PROGRAMACI N
Ó
P
ROGRAMACI N
T
IPO
,D
URACI N
Y
V
OLUME DE LAS SONER AS
ÓÓ
Í
P
ROGRAMMATION SONNERIE
:
A
PPEL INTERCOMMUNICANT
,
APPEL D
'
UN AUTRE UTILISATEUR
ET APPEL DE PALIER
P
ROGRAMACI N Í
AMADAS
:
INTERCOMUNICANTE
,
DE
U
SUARIO Y DE PISO
Ó
S
ONER A
L
L
(
AU MOINS
4
SECONDES
)
(
AL MENOS
4
SEGUNDOS
)
(
AU MOINS
4
SECONDES
)
(
AL MENOS
4
SEGUNDOS
)
(
AU MOINS
4
SECONDES
)
(
AL MENOS
4
SEGUNDOS
)
(
AU MOINS
4
SECONDES
)
(
AL MENOS
4
SEGUNDOS
)
(
AU MOINS
4
SECONDES
)
(
AL MENOS
4
SEGUNDOS
)
sonnerie intercommunicant
sonería intercomunicante
sonnerie d'un autre utilisateur
sonería desde otro usuario
sonnerie de palier
sonería de piso
sonnerie plaque de rue
sonería placa de calle
1
1

Related product manuals