EasyManua.ls Logo

Fassi F 170A.23 - Page 52

Default Icon
70 pages
Print Icon
To Next Page IconTo Next Page
To Next Page IconTo Next Page
To Previous Page IconTo Previous Page
To Previous Page IconTo Previous Page
Loading...
S1
HYDRAULIC SCHEMATICS
FOR CRANE
F 170A
52
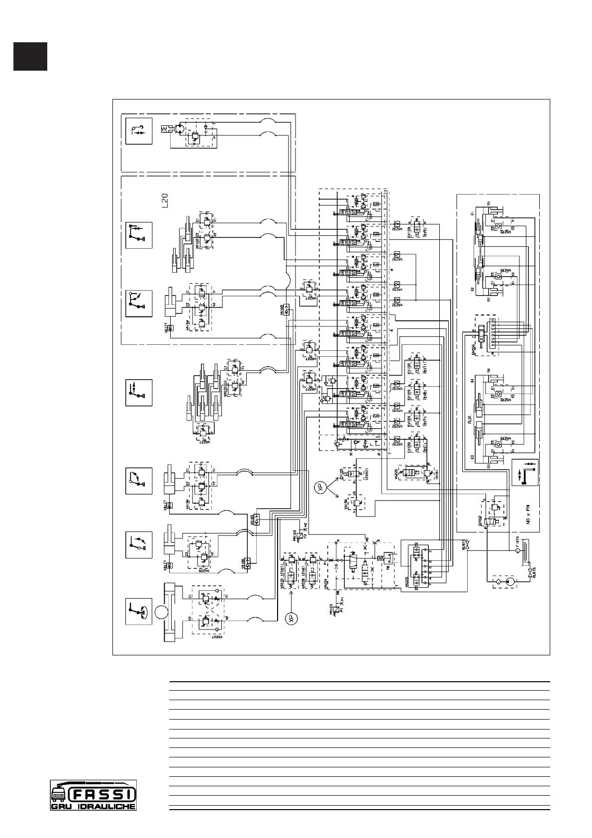
S1 HYDRAULIC SCHEMATICS FOR CRANE
Hydraulic schematic for crane - HCD4 distributor - ground controls
- load limiting device
CODE DESCRIPTION
DV002 DEVIATOR
DV008 DEVIATOR
FI870 FILTER
RU975 FAUCET
VA102 DOUBLE EFFECT BLOCK VALVE
VA175 BLOCK VALVE + FAUCET
VA187 BLOCK VALVE + FAUCET
VA194 DOUBLE EFFECT BLOCK VALVE
VA209 SIMPLE EFFECT BLOCK VALVE
VA215 OIL FLOW CHECK VALVE
VA227 SEQUENCE VALVE
VA233 DOUBLE EFFECT BLOCK VALVE

Related product manuals