EasyManua.ls Logo

Fassi F 170A.23 - Page 57

Default Icon
70 pages
Print Icon
To Next Page IconTo Next Page
To Next Page IconTo Next Page
To Previous Page IconTo Previous Page
To Previous Page IconTo Previous Page
Loading...
T0
ELECTRIC SCHEMATICS
FOR CRANE
F 170A
57
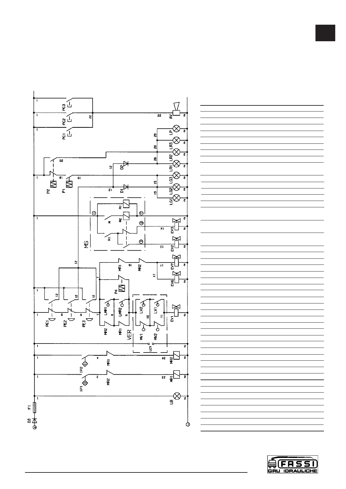
Electric schematic for crane - HCD4 distributor - diversified rotation
CODE DESCRIPTION
ALIM FEED MAIN CONTROL PANEL
AV ACOUSTIC ALARM
D1 LAMP TEST DIODE
D2 LAMP TEST DIODE
D3 POLARITY PROTECTION DIODE
EV1 EMERGENCY ELECTROVALVE
EV2 ELECTROVALVE FOR CRANE LIFTING BLOCK
EV3 ELECTROVALVE FOR CRANE DESCENTS BLOCK
EV6 ELECTROVALVE FOR CRANE LIFTING MOMENT LIMITING DEVICE
OF THE TWO WORKING ZONES
EV7 ELECTROVALVE FOR LIMITING GENERAL PRESSION
F1 PROTECTION FUSE 10 A.
IP1 CLOCKWISE ROTATION PROXIMITY
IP2 ANTICLOCKWISE ROTATION PROXIMITY
LB WHITE WARNING LIGHT FOR FEED TO PANEL
LG1 YELLOW WARNING LIGHT FOR MAIN CONTROL PANEL
90% LOAD REACHING
LG2 YELLOW WARNING LIGHT FOR DOUBLE CONTROL SATELLITE
90% LOAD REACHING
LG3 YELLOW WARNING LIGHT FOR ADDITIONAL SATELLITE
90% LOAD REACHING
LMR1 CLOCKWISE ROTATION MICRO REACTIVATION
LMR2 ANTICLOCKWISE ROTATION MICRO REACTIVATION
LP ADDITIONAL FLASHING
LR1 RED WARNING LIGHT FOR MAIN CONTROL PANEL BLOCK
LR2 RED WARNING LIGHT FOR DOUBLE CONTROL SATELLITE BLOCK
LR3 RED WARNING LIGHT FOR ADDITIONAL SATELLITE BLOCK
MR1 CLOCKWISE ROTATION RELAY
MR2 ANTICLOCKWISE ROTATION RELAY
MS MERCURY SLOPE SENSOR ON OUTER BOOM
P1 LOAD PRESSURE 90% DETECTOR
P2 BLOCK PRESSURE DETECTOR
P4 ROTATION CONTROL PRESSURE DETECTOR
PC1 ACOUSTIC WARNING BUTTON FOR MAIN CONTROL PANEL
PC2
ACOUSTIC WARNING BUTTON FOR DOUBLE CONTROL SATELLITE
PC3
ACOUSTIC WARNING BUTTON FOR ADDITIONAL SATELLITE
PE1 MAIN CONTROL PANEL STOP BUTTON
PE2 DOUBLE CONTROL SATELLITE STOP BUTTON
PE3 ADDITIONAL SATELLITE STOP BUTTON
SAT2 DOUBLE CONTROL SIDE SATELLITE
SAT3 ADDITIONAL SATELLITE
SDP SEAT PROXIMITY SHUNT BOX
WINCH
AR1 CRANE WINDING
AR2 EXTENSION WINDING
LCV WINCH LOAD LIMITING DEVICE
LV1 MICRO LEVER FOR CABLE WINDING REACTIVATION
LV2 MICRO LEVER FOR CABLE UNWINDING REACTIVATION
MV1 PULLEY MICRO WINCH
MV2 DRUM MICRO WINCH

Related product manuals