EasyManua.ls Logo

Fassi F 170A.23 - Page 58

Default Icon
70 pages
Print Icon
To Next Page IconTo Next Page
To Next Page IconTo Next Page
To Previous Page IconTo Previous Page
To Previous Page IconTo Previous Page
Loading...
T0
ELECTRIC SCHEMATICS
FOR CRANE
F 170A
58
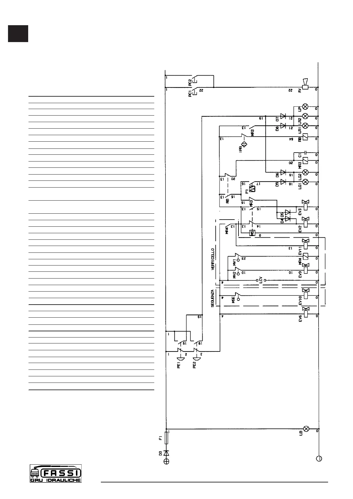
Electric schematic for crane - Danfoss distributor - free rotation
CODE DESCRIPTION
ALIM FEED MAIN CONTROL PANEL
AV ACOUSTIC ALARM
C1 BLOCK DELAY CONDENSOR
D3 POLARITY PROTECTION DIODE
D4/D5 LIFTING MOMENT LIMITING DEVICE DIODES
D6/D7 LAMPS TEST DIODES
D8/D9 DIODES OR NON RETURN DIODES
EV2 ELECTROVALVE FOR CRANE LIFTING BLOCK
EV3 ELECTROVALVE FOR CRANE DESCENTS BLOCK
EV6 EMERGENCY ELECTROVALVE
F1 PROTECTION FUSE 10A
IPB PROXIMITY SENSOR VALVE
LB WHITE WARNING LIGHT FOR FEED TO PANEL
LG1 YELLOW WARNING LIGHT FOR MAIN CONTROL PANEL 90%
LOAD REACHING
LG2 YELLOW WARNING LIGHT FOR DOUBLE CONTROL SATELLITE
90% LOAD REACHING
LP ADDITIONAL FLASHING
LR1 RED WARNING LIGHT FOR MAIN CONTROL PANEL BLOCK
LR2 RED WARNING LIGHT FOR DOUBLE CONTROL SATELLITE BLOCK
MR3 RELAY FOR BLOCK DELAY
MS MERCURY SLOPE SENSOR ON OUTER BOOM
P1 90% LOAD PRESSURE DETECTOR
PC1 ACOUSTIC WARNING BUTTON FOR MAIN CONTROL PANEL
PC2 ACOUSTIC WARNING BUTTON FOR DOUBLE CONTROL SATELLITE
PE1 MAIN CONTROL PANEL STOP BUTTON
PE2 DOUBLE CONTROL SATELLITE STOP BUTTON
RB LMLD BLOCK SIGNAL RELAY
SAT. EC ELECTRIC CONTROL SATELLITE CABLE
SAT. RADIO REMOTE CONTROL SATELLITE CABLE
SAT2 DOUBLE CONTROL SIDE SATELLITE
SEQUENCE
EV10 SEQUENCE ELECTROVALVE
MSE SEQUENCE MICRO SWITCH
SE SEQUENCE SHUNT BOX
WINCH
AR1 CRANE WINDING
AR2 EXTENSION WINDING
EV11 MAIN LIFTING BLOCK ELECTROVALVE
EV9 WINCH DESCENT BLOCK ELECTROVALVE
LCV WINCH LOAD LIMITING DEVICE
MR4 WINCH RELAY
MV1 PULLEY MICRO WINCH
MV2 DRUM MICRO WINCH

Related product manuals