EasyManua.ls Logo

Fassi F 80A.23 - 4 HYDRAULIC SCHEMATICS; (version with lifting moment limiting device)

Default Icon
94 pages
Print Icon
To Next Page IconTo Next Page
To Next Page IconTo Next Page
To Previous Page IconTo Previous Page
To Previous Page IconTo Previous Page
Loading...
4
HYDRAULIC
SCHEMATICS
GR3_080»095
4 HYDRAULIC SCHEMATICS
(version with lifting moment limiting device)
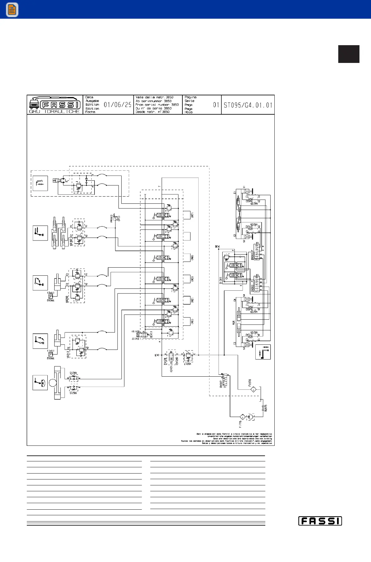
Hydraulic schematic for crane - HCD3M/HCD4 distributor - ground controls - “electronic”
lifting moment limiting device (F80A from s.n.
*
4085
*
- F95A from s.n.
*
3850
*
)
CODE DESCRIPTION
DI341 DISTRIBUTOR
DV003
DEVIATOR
DV007
DEVIATOR
EV128
ELECTROVALVE
EV117
ELECTROVALVE
FI870
FILTER
(RETURN)
M1/M2
GAUGE QUICK CONNECTION
PR103
PRESSURE SWITCH
RU975
FAUCET
TR002
PRESSURE TRANSDUCER
VA102
DOUBLE EFFECT BLOCK VALVE
VA164
DOUBLE EFFECT BLOCK VALVE
VA185
SELECTOR VALVE
VA200
DOUBLE EFFECT BLOCK VALVE
VA213
SIMPLE EFFECT BLOCK VALVE
VA215
OIL FLOW CHECK VALVE
VA217
SEQUENCE VALVE
VA239
SIMPLE EFFECT BLOCK VALVE
View thousands of Crane Specifications on FreeCraneSpecs.com
View thousands of Crane Specifications on FreeCraneSpecs.com

Related product manuals