EasyManua.ls Logo

Fassi F 80A.23 - Page 14

Default Icon
94 pages
Print Icon
To Next Page IconTo Next Page
To Next Page IconTo Next Page
To Previous Page IconTo Previous Page
To Previous Page IconTo Previous Page
Loading...
4
HYDRAULIC
SCHEMATICS
GR3_080»095
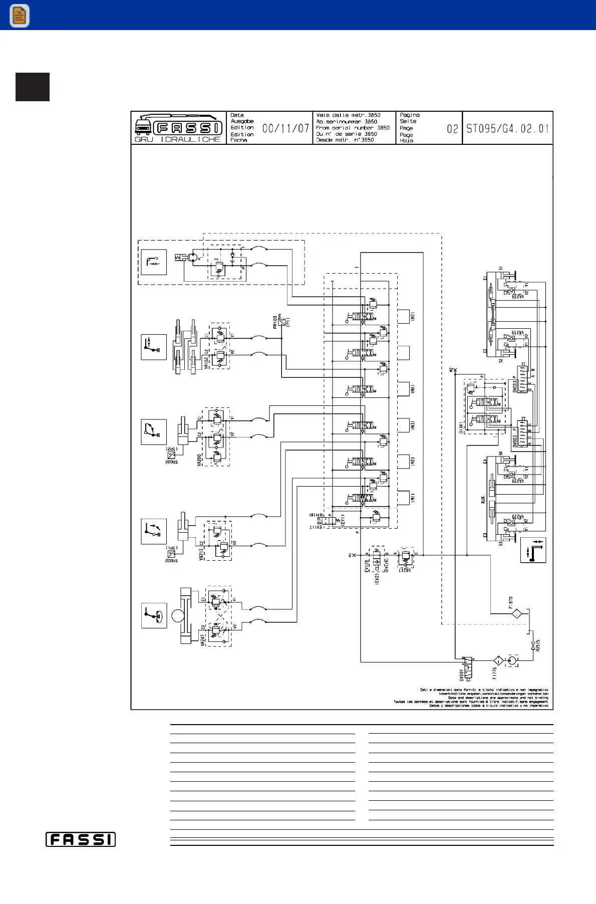
Hydraulic schematic for crane - HCD3M/HCD4 distributor - top seat controls - “electronic”
lifting moment limiting (F80A from s.n.
*
4085
*
- F95A from s.n.
*
3850
*
)
CODE DESCRIPTION
DI341 DISTRIBUTOR
DV003 DEVIATOR
DV007 DEVIATOR
EV128 ELECTROVALVE
EV117 ELECTROVALVE
FI870 FILTER (RETURN)
M1/M2 GAUGE QUICK CONNECTION
PR103 PRESSURE SWITCH
RU975 FAUCET
TR002 PRESSURE TRANSDUCER
VA102 DOUBLE EFFECT BLOCK VALVE
VA164 DOUBLE EFFECT BLOCK VALVE
VA185 SELECTOR VALVE
VA200 DOUBLE EFFECT BLOCK VALVE
VA213 SIMPLE EFFECT BLOCK VALVE
VA217 SEQUENCE VALVE
VA239 SIMPLE EFFECT BLOCK VALVE
VA247 OIL FLOW REGULATOR VALVE FOR ROTATION
CYLINDER
View thousands of Crane Specifications on FreeCraneSpecs.com
View thousands of Crane Specifications on FreeCraneSpecs.com

Related product manuals