EasyManua.ls Logo

FAURE HERMAN 744-082 - Page 27

Default Icon
126 pages
Print Icon
To Next Page IconTo Next Page
To Next Page IconTo Next Page
To Previous Page IconTo Previous Page
To Previous Page IconTo Previous Page
Loading...
FAURE-HERMAN
COMPONENT MAINTENANCE MANUAL
744-082 / 744-082-3
28-49-91
PAGE 7/8
MAR 31/07
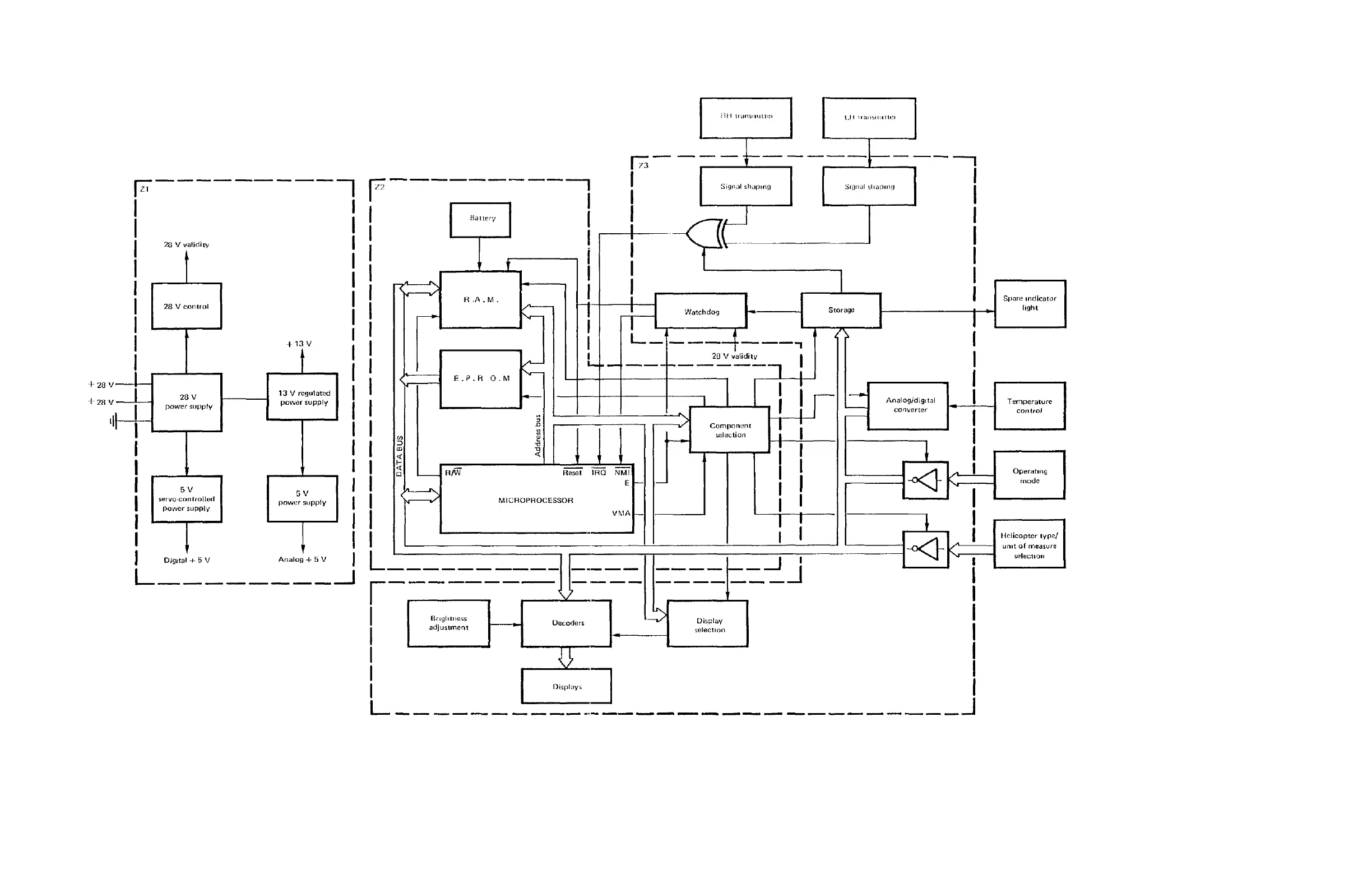
BLOCK DIAGRAM
FIGURE 2
The document reference is online, please check the correspondence between the online documentation and the printed version.

Related product manuals