EasyManua.ls Logo

FAURE HERMAN 744-082 - Page 31

Default Icon
126 pages
Print Icon
To Next Page IconTo Next Page
To Next Page IconTo Next Page
To Previous Page IconTo Previous Page
To Previous Page IconTo Previous Page
Loading...
FAURE-HERMAN
COMPONENT MAINTENANCE MANUAL
744-082 / 744-082-3
28-49-91
PAGE 11/12
MAR 31/07
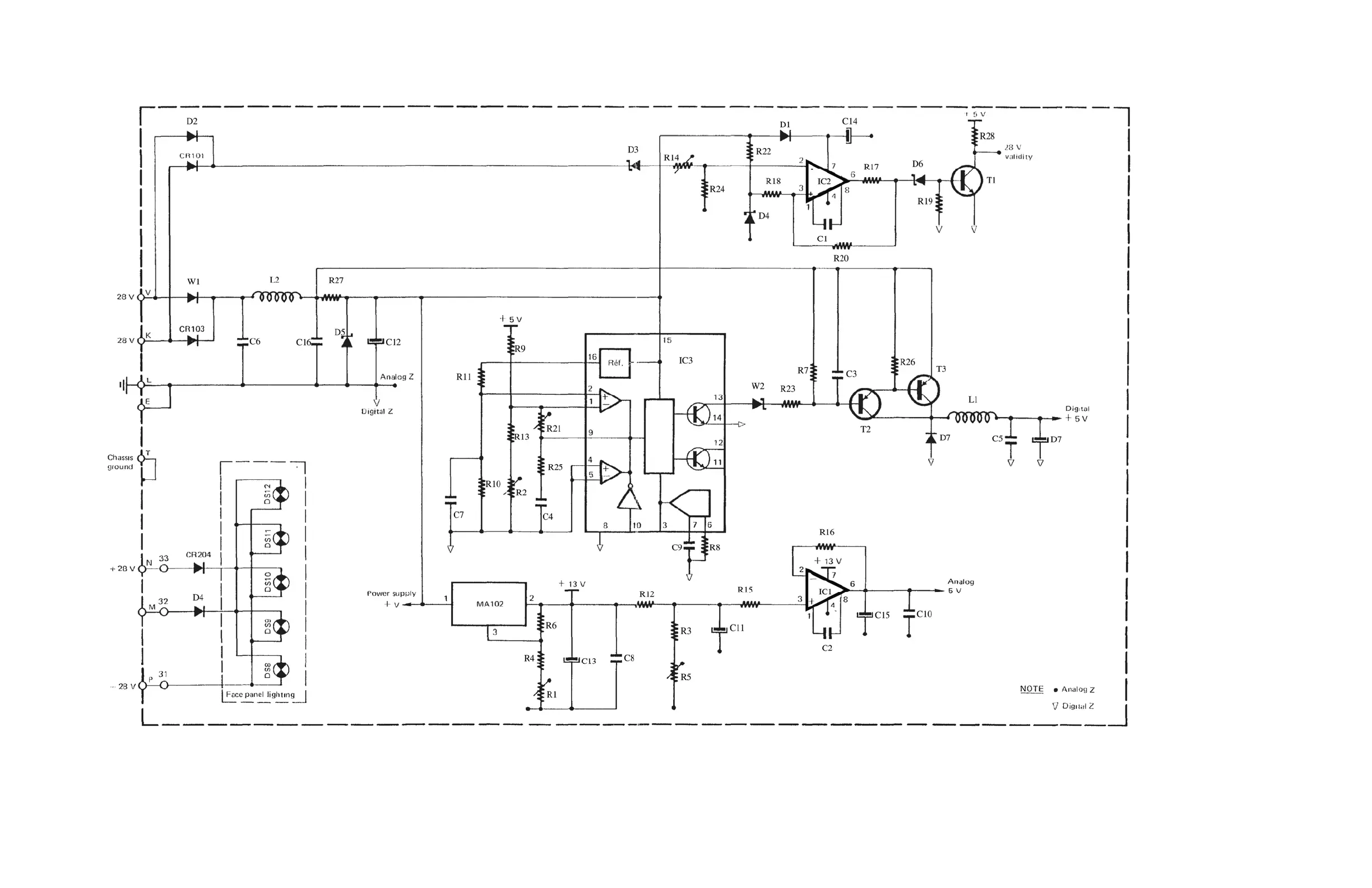
CIRCUIT DIAGRAM (P/N 744-082)
FIGURE 3, SHEET 1
The document reference is online, please check the correspondence between the online documentation and the printed version.

Related product manuals