EasyManua.ls Logo

Federal EIMSS60 - Page 41

Federal EIMSS60
69 pages
Print Icon
To Next Page IconTo Next Page
To Next Page IconTo Next Page
To Previous Page IconTo Previous Page
To Previous Page IconTo Previous Page
Loading...
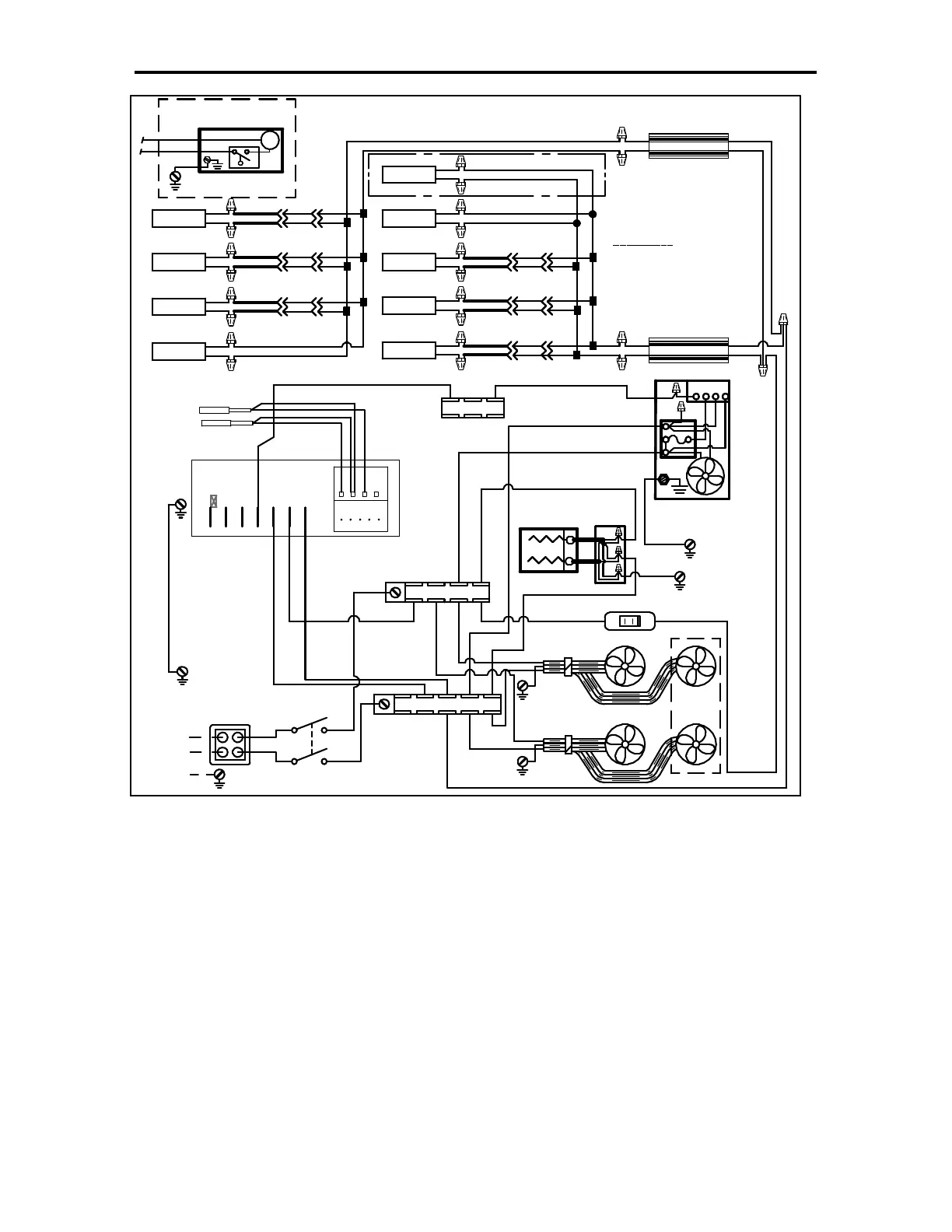
IMSS E3265
-
41
-
Self-Contained IMSS60SC BETWEEN 5/1/18 & 12/15/18
208-240V / 60Hz / 1PH
IMSS
MODELS
ONLY
Y(6)
R(15)
G(26)
5 4 6 7
8 9 10 11
RIB
RIB
TERM BLOCK
TEMP PROBE PB1
DEFROST PROBE PB2
POWER SWITCH
TERM BLOCK L1
TERM BLOCK L2
CONDENSATE
PAN STD IMSS
LIGHT SWITCH
EVAPORATOR FANS
R(23)
B(5)
B(13)
R(12)
B(22)
G(24)
G(25)
B(16)
R(15)
R(14)
R(2)
B(1)
R(4)
B(3)
L2
L1
N
B
R
B/BLR
BL
SHELF LAMP
B
B/BL
B
B
R
B/BL
R
BL
SHELF LAMP
B
B/BL
B
B
R
B/BL
R
BL
SHELF LAMP
B
B/BL
B
POWER SUPPLY
B
R
B/BL
R
BL
SHELF LAMP
B
B/BL
B
B
R
B/BL
R
BL
SHELF LAMP
B
B/BL
B
B
R
B/BL
R
BL
SHELF LAMP
B
B/BL
B
POWER SUPPLY
IF OPTIONAL CONDO PUMP HOSE
HEATER IS USED, TIE HEATER
WIRES TO B22 & R23
B(22)
P
R(23)
CONDENSATE PUMP
G(24)
BRW
BL
B
R
G = GREEN
B = BLACK
R = RED
W = WHITE
Y = YELLOW
BL = BLUE
COLOR CODE
BRW
BL
B/BL
B/BL
B
B
B
R
B
R
B/BL
TOP LAMP
B
B
R
B/BL
TOP LAMP
B
B
R
B/BL
TOP LAMP
B
91-20308-1 5/1/18 IMSS60SC & ECSS60SC SCROLL
ECSS ONLY
B
W
W
B
L2
CONDENSING
UNIT
L1
PRESS
CONTROL
4
5
3
1
R(11)
B(17)
Y(10)
CONDENSATE PUMP
STD ECSS
2X4
G
BR
BL

Related product manuals