EasyManua.ls Logo

Federal EIMSS60 - Page 42

Federal EIMSS60
69 pages
Print Icon
To Next Page IconTo Next Page
To Next Page IconTo Next Page
To Previous Page IconTo Previous Page
To Previous Page IconTo Previous Page
Loading...
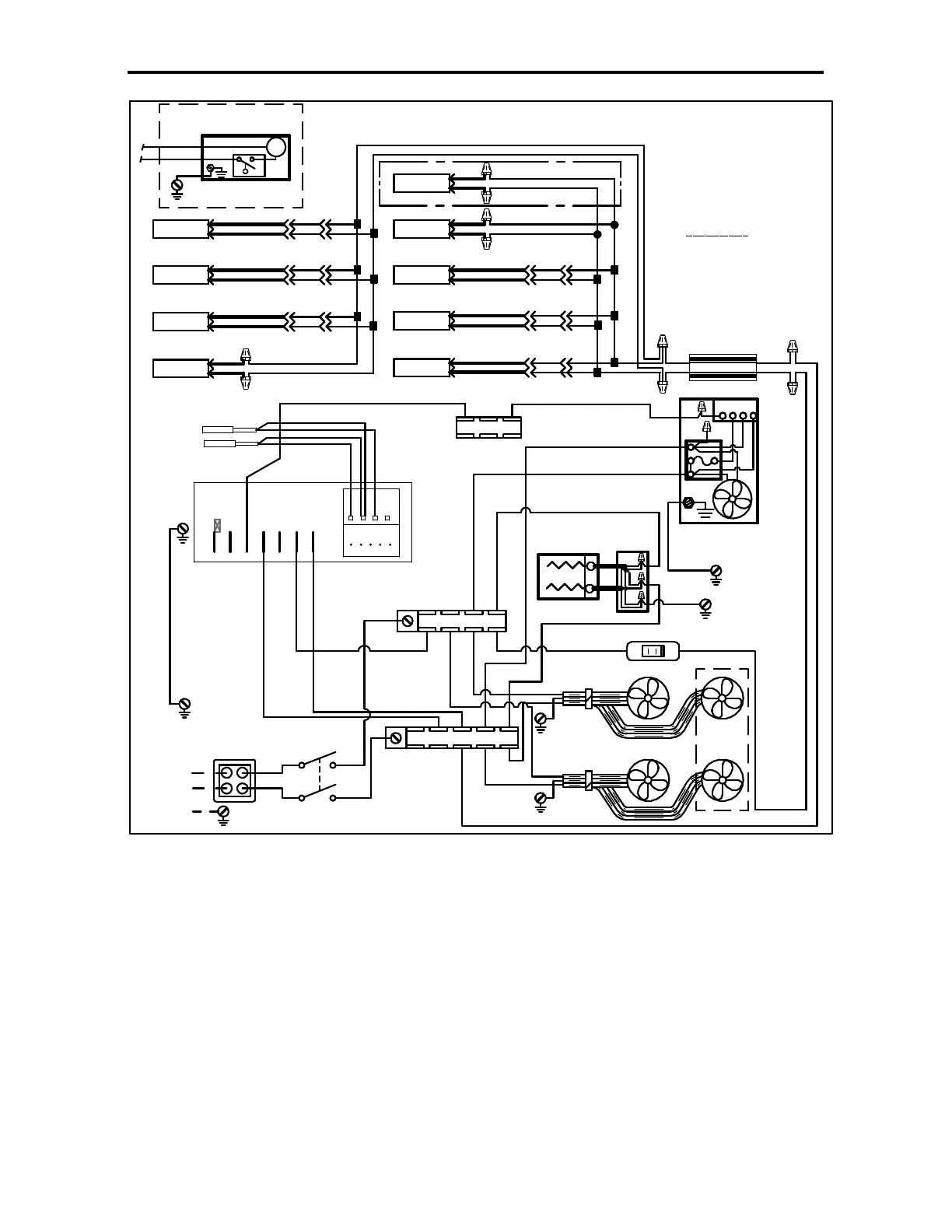
IMSS E3265
-
42
-
Self-Contained IMSS60SC BETWEEN 12/15/18 & 12/1/19
208-240V / 60Hz / 1PH
IMSS
MODELS
ONLY
Y(6)
R(15)
G(26)
5 4 6 7
8 9 10 11
RIB
RIB
TERM BLOCK
TEMP PROBE PB1
DEFROST PROBE PB2
POWER SWITCH
TERM BLOCK L1
TERM BLOCK L2
CONDENSATE
PAN STD IMSS
LIGHT SWITCH
EVAPORATOR FANS
R(23)
B(5)
B(13)
R(12)
B(22)
G(24)
G(25)
B(16)
R(15)R(14)
R(2)
B(1)
R(4)
B(3)
L2
L1
N
B/BL
SHELF LAMP
B/BL
B/BL
SHELF LAMP
B/BL
B/BL
SHELF LAMP
B/BL
POWER SUPPLY
B/BL
SHELF LAMP
B/BL
B/BL
SHELF LAMP
B/BL
B/BL
SHELF LAMP
B/BL
IF OPTIONAL CONDO PUMP HOSE
HEATER IS USED, TIE HEATER
WIRES TO B22 & R23
B(22)
P
R(23)
CONDENSATE PUMP
G(24)
B
W
G = GREEN
B = BLACK
R = RED
W = WHITE
Y = YELLOW
BL = BLUE
COLOR CODE
B/BL
B/BL
BL/R
B/BL
TOP LAMP
B/BL
TOP LAMP
B/BL
TOP LAMP
91-20308-2 12/27/18 IMSS60SC, IMSS84SC & ECSS60SC
ITC LED
ECSS ONLY
B
W
W
B
L2
CONDENSING
UNIT
L1
PRESS
CONTROL
4
5
3
1
R(11)
B(17)
Y(10)
CONDENSATE PUMP
STD ECSS
2X4
G
BR
BL
- B
+B(RIB)
- B
+B(RIB)
- B
+B(RIB)
- B
+B(RIB)
BL
R
- B
+B(RIB)
- B
+B(RIB)
- B
+B(RIB)
- B
+B(RIB)
- B
+B(RIB)
B/R
B/RB/R
B/R B/R
B/R
B/R
B/R
B/R
B/R
B/R
B/R
B/R
B/R B/R
B/R
B/R
IF LIGHT WIRES
ARE B/BL & B
TIE B/BL TO RED
& B TO BLUE ON
POWER SUPPLY

Related product manuals