EasyManua.ls Logo

Federal EIMSS60 - Page 43

Federal EIMSS60
69 pages
Print Icon
To Next Page IconTo Next Page
To Next Page IconTo Next Page
To Previous Page IconTo Previous Page
To Previous Page IconTo Previous Page
Loading...
IMSS E3265
-
43
-
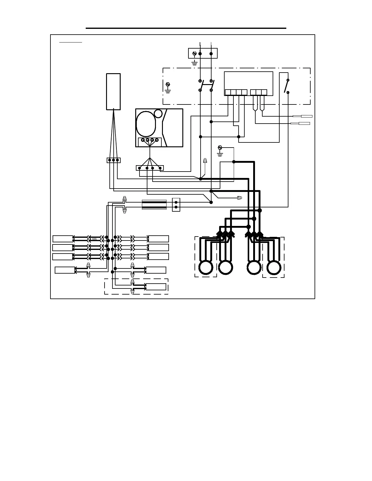
Self-Contained IMSS60SC AFTER 12/1/19
POWER SUPPLY
CAREL
CONTROL
W
4
5 9
6 7 10
8
BLK
POWER
SWITCH
LIGHT
SWITCH
R
W
BLK
BLK
BLK
Y
240V/3PH/60HZ
L1
L2
N
CONDO PAN/
PUMP
TOP LAMP
- B
+B(RIB)
SHELF LAMP
- B
+B(RIB)
B/BL
B/R
SHELF LAMP
- B
+B(RIB)
B/BL
B/R
SHELF LAMP
- B
+B(RIB)
B/BL
B/R
TOP LAMP
- B
+B(RIB)
SHELF LAMP
- B
+B(RIB)
B/BL
B/R
SHELF LAMP
- B
+B(RIB)
B/BL
B/R
SHELF LAMP
- B
+B(RIB)
B/BL
B/R
BLK
BLK/RIB
BLK
M
BLK
BLK/RIB
BLK
BLK
BLK/RIB
BLK
M
BLK
BLK/RIB
BLK
M
M
IMSS60 AND IMSS84
ECSS60
91-21213 1/17/20
IMSS84 ONLY
IMSS84 ONLY
R
BLK
BLK
EVAP.
FANS
R+
BL-
B/R
B/BLK
B/R
B/BLK
B/BLK B/BLK
B/R
B/R
BLK
BLK
BLK
R
R
R
R
R
BLK
BLK
G
G
G
G
DEFROST PROBE
PB2
TEMP PROBE
PB1
W
B
COLOR CODE
B = BLUE
Y = YELLOW
W = WHITE
R = RED
BLK = BLACK
BRW= BROWN
DARK LINES REPRESENT
(3) CONDUCTOR CORD
G = GREEN
IF LIGHT WIRES
ARE B/BL & B
TIE B/BL TO RED
& B TO BLUE ON
POWER SUPPLY
TOP LAMP
- B
+B(RIB)
B/BLK
B/R
ECSS60 ONLY
IN COMP.
FOR DETAILS.
SEE DIAGRAM
CONDENSING
UNIT
BLK
R

Related product manuals