EasyManua.ls Logo

Federal EIMSS60 - Page 44

Federal EIMSS60
69 pages
Print Icon
To Next Page IconTo Next Page
To Next Page IconTo Next Page
To Previous Page IconTo Previous Page
To Previous Page IconTo Previous Page
Loading...
IMSS E3265
-
44
-
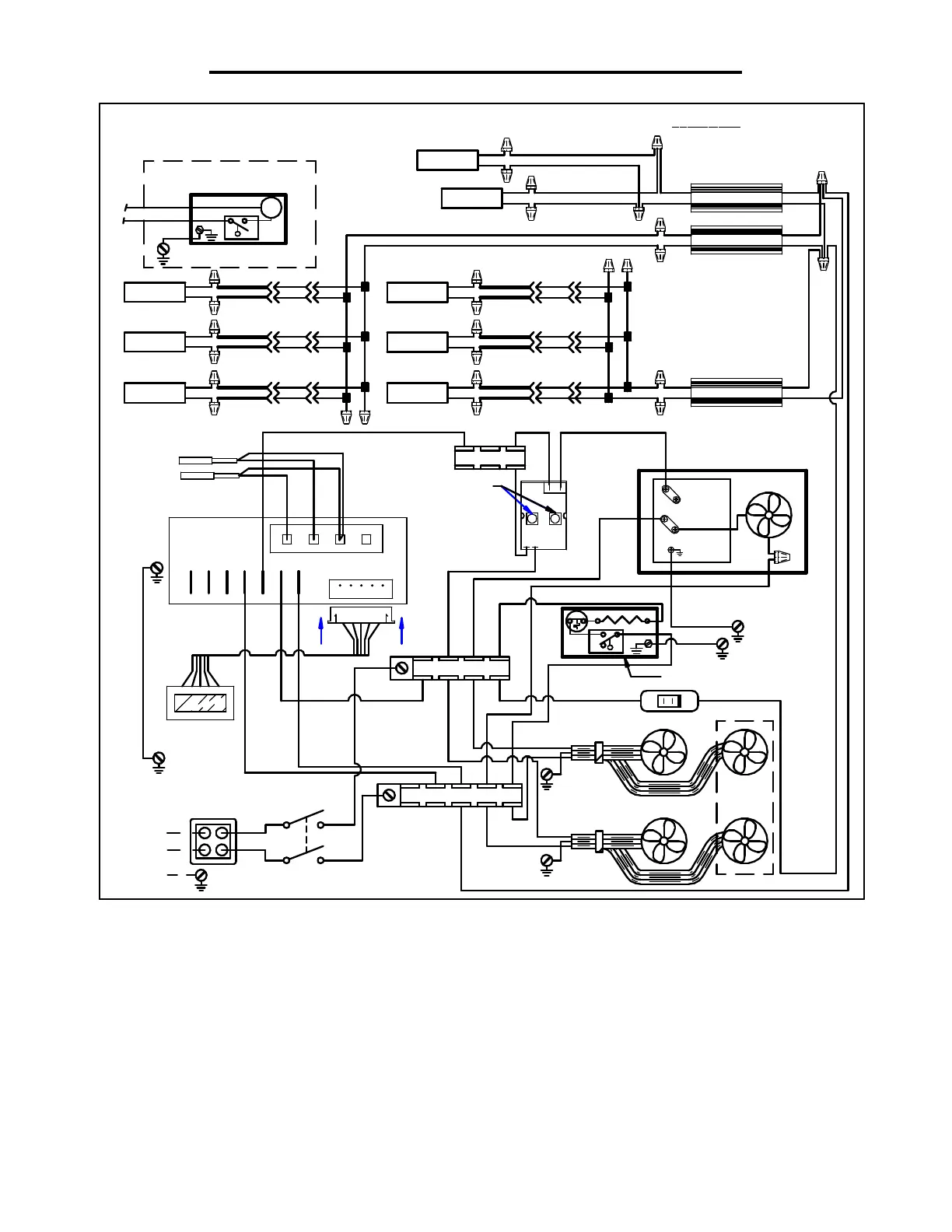
Self-Contained IMSS84SC BEFORE 5/23/12
TURN FULL
CLOCK WISE
208-240V / 60Hz / 1PH
GR
IMSS
MODELS
ONLY
COND UNIT
FAN
R or L2
1 or L1
Y(6)
B
R(15)
32
41
MAX RUN TIMER
TURN FULL
CLOCK WISE
NO
NC
C
RIBBON
CABLE
G(26)
1 2 3 4 5 6 7
8 9 10 11
91-19451 9/28/11 IMSS84SC
RIB
RIB
TERM BLOCK
TEMP PROBE PB1
DEFROST PROBE PB2
POWER SWITCH
TERM BLOCK L1
TERM BLOCK L2
CONDENSATE PAN
DISPLAY
LIGHT SWITCH
B(17)
EVAPORATOR FANS
Y (21)
R(11)
R(23)
B(5)
B(13)
R(12)
B(22)
G(24)
G(25)
B(17)
B(16)
R(15)R(14)
Y(10)
Y(9)
R(2)
B(1)
R(4)
B(3)
R(20)
L2
L1
N
B
R
B/BLR
BL
SHELF LAMP
B
B/BL
B
B
R
B/BLR
BL
SHELF LAMP
B
B/BL
B
B
R
B/BLR
BL
SHELF LAMP
B
B/BL
B
POWER SUPPLY
B
R
B/BLR
BL
SHELF LAMP
B
B/BL
B
B
R
B/BL
R
BL
SHELF LAMP
B
B/BL
B
B
R
B/BL
R
BL
SHELF LAMP
B
B/BL
B
POWER SUPPLY
IF OPTIONAL CONDENSATE PUMP OR
CONDENSATE PAN ARE NOT USED
DISCARD WIRES B(22), R(23),G(24),
R(22)
P
R(23)
OPTIONAL
CONDENSATE PUMP
G(24)
B
R
B/BL
TOP LAMP
B
B
R
B/BL
TOP LAMP
B
POWER SUPPLY
BRW
BL
B
R
G = GREEN
B = BLACK
R = RED
W = WHITE
Y = YELLOW
BL = BLUE
COLOR CODE
BRW
BRW
BL
BL
B/BL
B/BL
B
B
B
R
B
R

Related product manuals