EasyManua.ls Logo

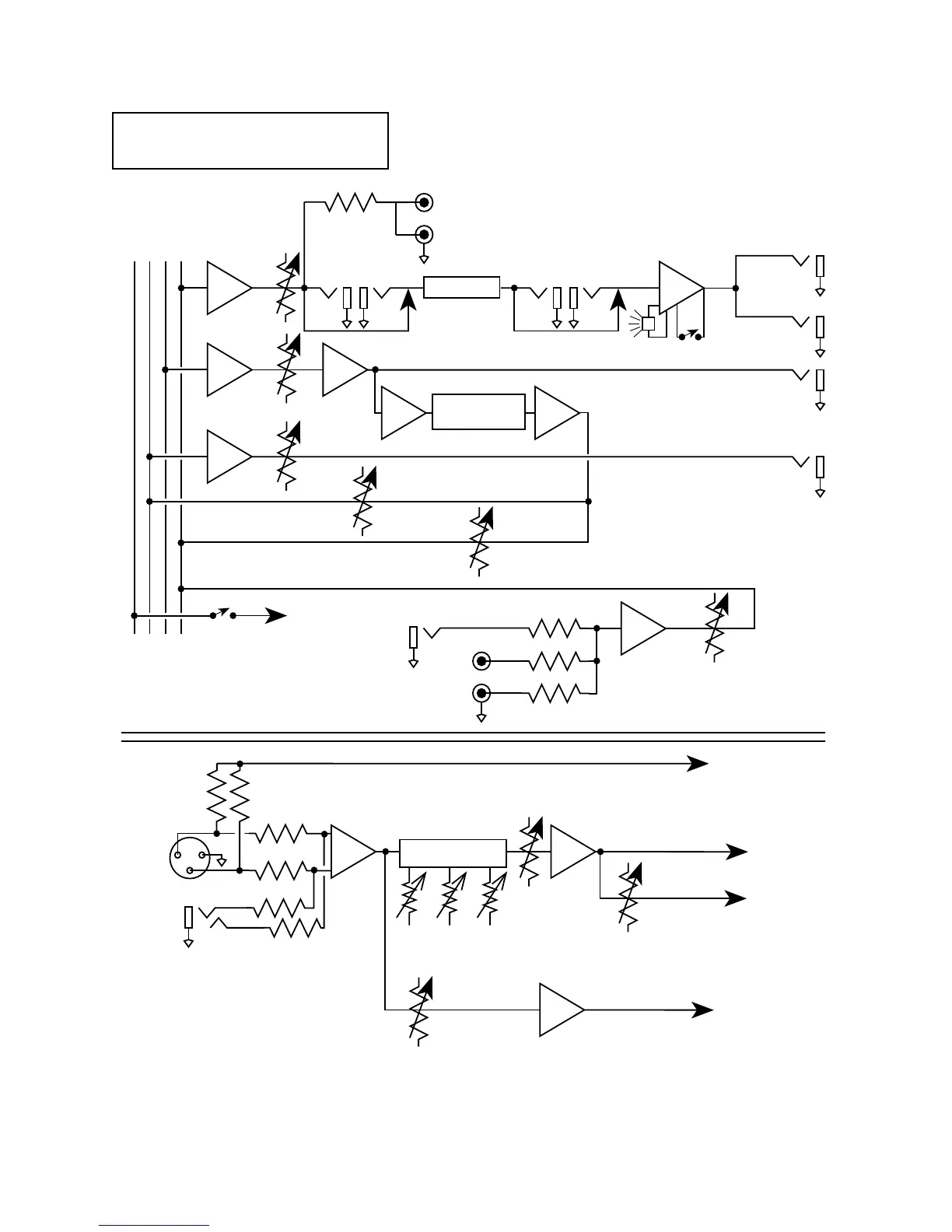
Fender SR-6520PD - Block Diagram

Fender SR-6520PD
14 pages
Print Icon
To Next Page IconTo Next Page
To Next Page IconTo Next Page
To Previous Page IconTo Previous Page
To Previous Page IconTo Previous Page
Loading...
Signal path exclusive
of individual channel
Signal path typical
for each channel
MICROPHONE
LINE
HIGH
LOW
MAIN
MON.
EFF./REV.
TO MAIN BUSS
TO EFFECTS/
REVERB BUSS
TO MONITOR BUSS
MONITOR
EFFECTS/REVERB
MAIN
MAIN
MASTER
MAIN
OUTPUT
GEQ
INPUT
POWER
AMP
SPEAKER
OUTPUT
2 OHM
MINIMUM
EFFECTS
OUTPUT
REVERB
FT. SW.
EFF./REV.
SEND LEVEL
MONITOR
OUTPUT
MONITOR
MASTER
REVERB RETURN
TO MONITOR
REVERB RETURN
TO MAIN
AUX.
LEVEL
AUX
INPUT
R
L
TAPE
INPUTS
3
21
DELTACOMP
TM
SWITCH
PEAK
PILOT LAMP
PHANTOM
GRAPHIC EQ
GEQ
OUTPUT
POWER
AMP INPUT
PHANTOM
POWER
SWITCH
+15 VDC
MID
TO PHANTOM BUSS
CHANNEL EQ
+
_
+
_
DIGITAL SIGNAL
PROCESSER
TAPE
OUTPUTS
R
L
1-1 Block Diagram

Related product manuals