EasyManua.ls Logo

Fender SRM 6302 - Signal Flow Diagram

Fender SRM 6302
16 pages
Print Icon
To Next Page IconTo Next Page
To Next Page IconTo Next Page
To Previous Page IconTo Previous Page
To Previous Page IconTo Previous Page
Loading...
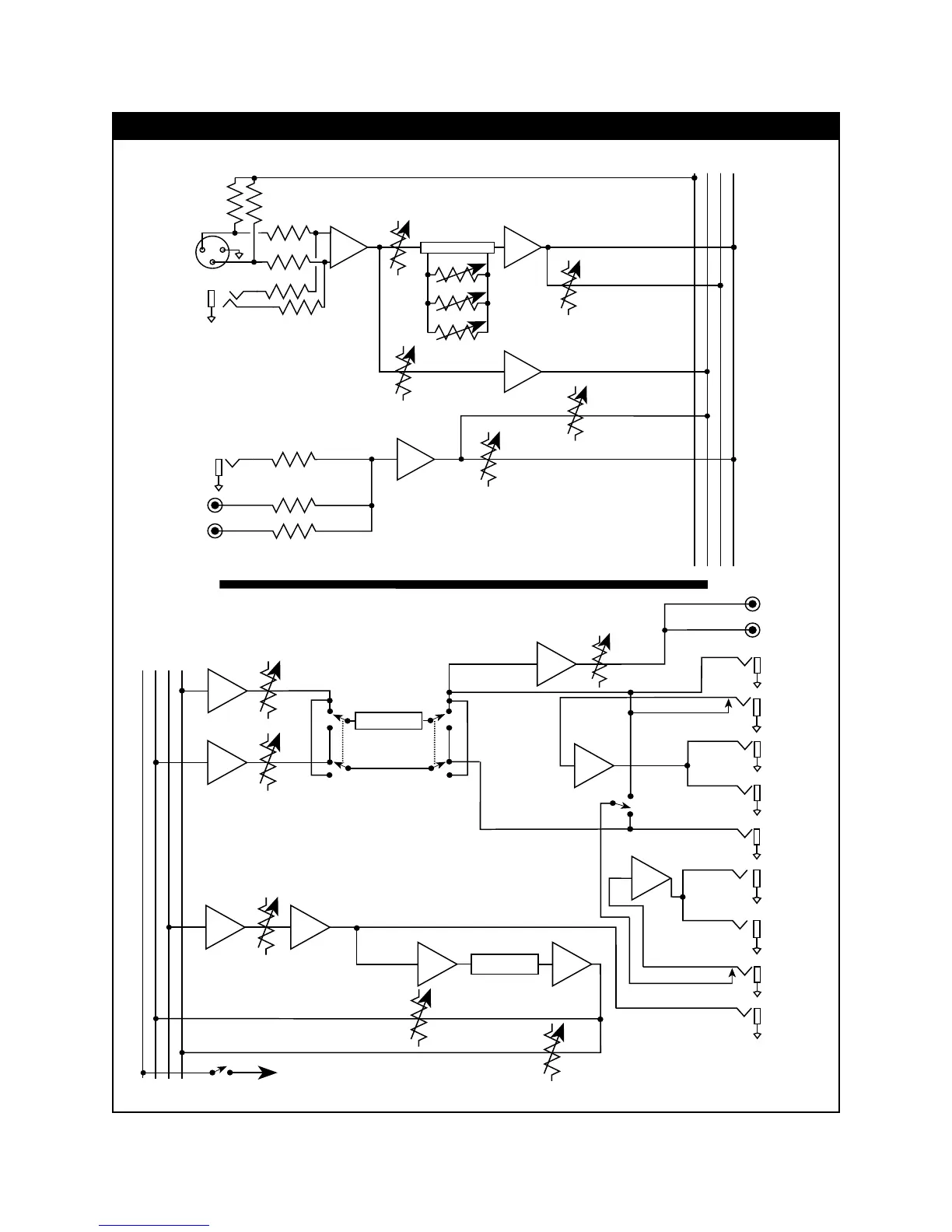
MIC
INPUTS
LINE
LEVEL
MONITOR
EFFECTS
TO MAIN BUS
TO EFFECTS/
REVERB BUS
TO MONITOR BUS
3
21
TO PHANTOM BUS
HIGH
LOW
MID
CHANNEL EQ
RETURN TO MONITOR
RETURN TO MAIN
Typical signal path
for each channel
MONITOR
EFFECTS/REVERB
MAIN
PHANTOM
EFFECTS IN
L
MONITOR
EFFECTS/REVERB
MAIN
PHANTOM
PHANTOM
POWER
SWITCH
+48 VDC
REVERB
DELAY LINE
REVERB RETURN
TO MONITOR
EFFECTS
REVERB RETURN
TO MAIN
MAIN
GRAPHIC EQ
MONITOR
REC
OUT
PA 1 OUT
PA 2
ASSIGN
PA 2
PA 1
R
TAPE IN
PA 2 IN
PA 2 OUT
TAPE
OUT
L
R
MAIN
OUT
PA 1
IN
MON OUT
PA 1 OUT
PA 2 OUT
EFFECTS OUT/
FOOTSWITCH
TAPE / EFFECTS
EQ ASSIGN
14
SRM 6302 / 8302 SIGNAL FLOW DIAGRAM