EasyManua.ls Logo

Ferm FTB-13 - Technical Specifications; Safety Instructions; General Safety Pictograms and Precautions; Personal Safety Measures

Ferm FTB-13
6 pages
Print Icon
To Next Page IconTo Next Page
To Next Page IconTo Next Page
To Previous Page IconTo Previous Page
To Previous Page IconTo Previous Page
Loading...
FERM TABLE DRILLING MACHINE
FTB-13
USERS MANUAL
TECHNICAL SPECIFICATIONS
PRODUCT INFORMATION
1. On/off switch
2. Drill dept gauge
3. Protection guard
4. Motor
5. Drill dept lever
6. Table adjustment
Check first whether or not the delivery has been dama-
ged by transport and/or whether all the parts are pre-
sent.
SAFETY INSTRUCTIONS
The following pictograms are used in these instructions
for use:
Denotes risk of personal injury, loss of life or
damage to the tool in case of non-observance of the
instructions in this manual.
Denotes risk of electric shock.
Carefully read this manual before using the machine.
Make sure that you know how the machine functions and
how to operate it. Maintain the machine in accordance
with the instructions to make sure it functions properly.
Keep this manual with the machine.
Ferm products are manufactured to high quality stan-
dards they are safe and fit for purpose at time of sale, but
all tools can be dangerous if the correct precautions are
not taken. Always follow these instructions, do not carry
out the operation until you are sure you can do so in saf-
ety. Remember consider the work environment for safe
operation as well as safety for tool use.
Warning! When using electric tools, basic safety
precautions should always be followed to reduce
the risk of fire, electric shock and personal injury. Read all
these instructions before attempting to operate this product.
Save these instructions for future reference.
PERSONAL SAFETY
Use Personal Protection Safety Equipment
Protect eyes with safety glasses or goggles note: the use
of safety protective eyewear without the CE mark can
lead to serious injury if the glass breaks.
A suitable dust mask should be worn if cutting drilling or
sanding is dusty, in particular chipboard or MDF. Appro-
ved safety footwear and headgear should worn as
appropriate, for example on building works or when
heavy weights are involved.
Dress properly
Do not wear loose clothing or jewellery. It can get caught
in moving parts. Non-skid footwear is recommended
when working out doors. Wear protective hair covering
to contain long hair.
Stay alert
Watch what you are doing Use common sense. Do not
operate tools when tired or after taking alcohol or pre-
scription/ non-prescription drugs.
4
1
2
3
5
6
Voltage | 230 V
Frequency | 50 Hz
Power input | 350 W
No load speed | 580-2650/min
Number of speeds | 5
Chuck capacity/Morse Conical | 13mm/ B-16
Weight | 20 kg
Lpa (sound pressure level) | 62.1 dB(A)
Lwa (sound power level) | 75.1 dB(A)
Vibration value | <2,5 m/s
2
2 Ferm Ferm 7
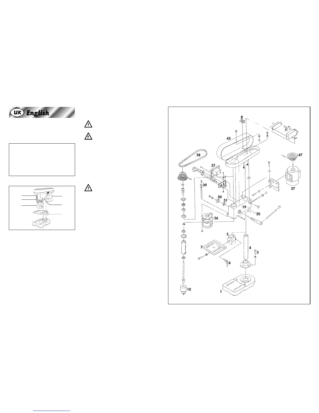
EXPLODED VIEW

Related product manuals