EasyManua.ls Logo

Fermax HALO - Ampliaciones

Fermax HALO
Print Icon
To Next Page IconTo Next Page
To Next Page IconTo Next Page
To Previous Page IconTo Previous Page
To Previous Page IconTo Previous Page
Loading...
Pag 17
Kit Halo & iLoftKit Halo & iLoft
Kit Halo & iLoftKit Halo & iLoft
Kit Halo & iLoft
Kit Halo & iLoftKit Halo & iLoft
Kit Halo & iLoftKit Halo & iLoft
Kit Halo & iLoft
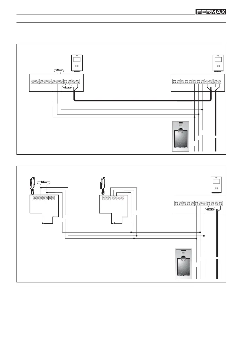
AMPLIACIONES
El equipamiento básico por vivienda puede ser ampliado con 2 teléfonos o 1 monitor
adicional sin necesidad de añadir fuentes de alimentación.
Ct + MVMVF1
T
AL-F2
-
COAX
L
+
SW1
T
+
A
-
+L
F1F2
+
L
-
10 KOhm
SW1
T
+
A
-
+L
F1F2
+
L
-
75 Ohm
10 KOhm
Ct + MVMVF1
T
AL-F2
-
Ct + MVMVF1
T
AL-F2
COAX
L
+
75 Ohm
Conexión Monitor adicional
Conexión teléfonos adicionales
TOP PERFORMANCE PANEL
ACCESS CONTROL SYSTEM
TOP PERFORMANCE PANEL
ACCESS CONTROL SYSTEM

Related product manuals