EasyManua.ls Logo

Fermax HALO - Page 55

Fermax HALO
Print Icon
To Next Page IconTo Next Page
To Next Page IconTo Next Page
To Previous Page IconTo Previous Page
To Previous Page IconTo Previous Page
Loading...
Pag 15
Kit Halo & iLoftKit Halo & iLoft
Kit Halo & iLoftKit Halo & iLoft
Kit Halo & iLoft
Kit Halo & iLoftKit Halo & iLoft
Kit Halo & iLoftKit Halo & iLoft
Kit Halo & iLoft
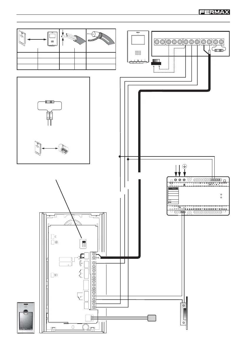
Temperature
sensor
WIRING DIAGRAM
+
-
L
COAX
Ct + MVMVF1
T
AL-F2
75 Ohm
230V
~
~
INPUT
230V ; 0,6 A
50-60 Hz
OUTPUT
18 V ; 1,5 A
~
OVERLOAD
ON
~~
~
12 V ; 1,5 A
V
ac
12 V
ac
ALT CAM
MIC
M
V
L
S
A
B
D
C
VÍDEO COMPUESTO
COMPOSED VIDEO
1 Vpp. 75
CCIR 50 Hz
IDIOMA
LANGUAGE
SP
-
BS
NC
+12
Sa
Sb
NA
C
-
+
18Vdc
SENSOR TEMP.
18Vdc + 12 Vac
TOP PERFORMANCE PANEL
ACCESS CONTROL SYSTEM
12 Vac
18Vdc
P1
1 - 50
50 - 100
100 - 200
75 Ohm
75 Ohm
75 Ohm
mm
mm
mm2,5
1,5
1
2
2
2
S
D
metros / metres
pies / feet
AWG
3,28 - 164,04
164,04 - 328,08
328,08 - 656,16
mm
2
17
15
13
Place a 10 Kohm resistance between
the + and L monitor terminals..
(*) IMPORTANT
10 Kohm
+ L
+
1
8
V
1
.
5
A
5
0
-
6
0
H
z
.
5
0
V
A
M
A
X
.
1
2
V
1
A
F
UE
NT
E ALIME
NTA
CIO
N
K
I
T
D
IG
I
T
A
L
M
A
D
E
I
N
S
P
A
I
N
D. max.
30 m
90 pies/feet
Voice synthesis
A- Español
B- Francais
C- English
D- Deutsch
P1: House number call button.

Related product manuals