EasyManua.ls Logo

Ferris 5900228 - Instrument and Control Panel Components

Ferris 5900228
66 pages
Print Icon
To Next Page IconTo Next Page
To Next Page IconTo Next Page
To Previous Page IconTo Previous Page
To Previous Page IconTo Previous Page
Loading...
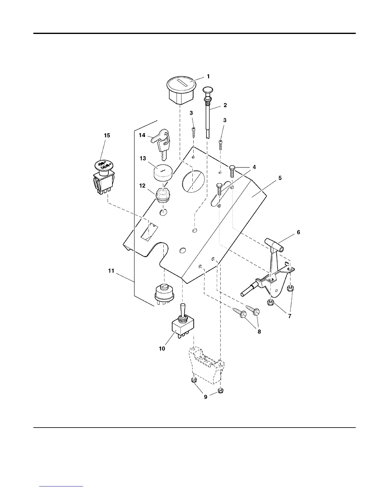
Instrument & Control Panel Group
095INS0
NOTE: Unless noted otherwise,
use the standard hardware torque
specification chart.
The above parts group applies to the following Mfg. Nos.:
2005
12
© Copyright Ferris Industries. All Rights Reserved.
5901035
S/N: 1023 & Above
H3225K
5901036
(
H3227K
)
TP 400-7095-04-H3-F

Related product manuals