EasyManua.ls Logo

Ferris 5900228 - Steering System Components

Ferris 5900228
66 pages
Print Icon
To Next Page IconTo Next Page
To Next Page IconTo Next Page
To Previous Page IconTo Previous Page
To Previous Page IconTo Previous Page
Loading...
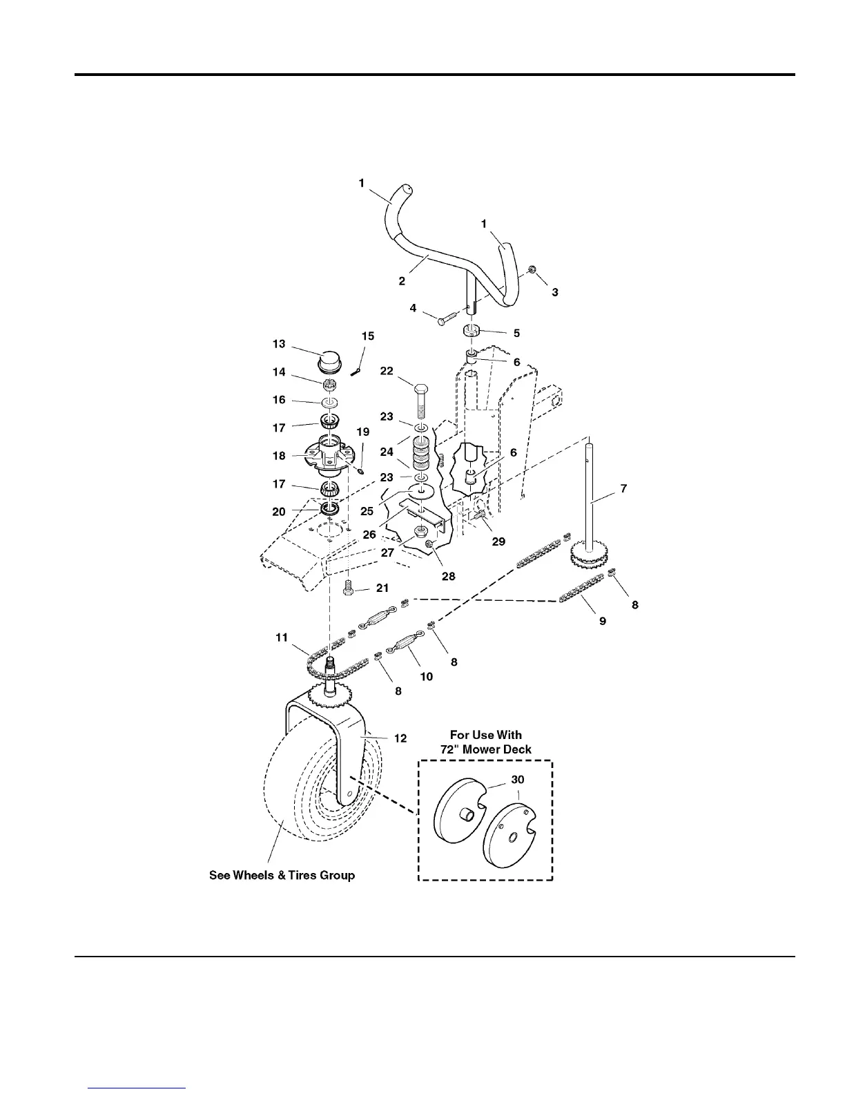
Steering Group
095STR0
NOTE: Unless noted otherwise,
use the standard hardware torque
specification chart.
The above parts group applies to the following Mfg. Nos.:
2005
4
© Copyright Ferris Industries. All Rights Reserved.
5901035
S/N: 1023 & Above
H3225K
5901036
(
H3227K
)
TP 400-7095-04-H3-F

Related product manuals