EasyManua.ls Logo

Ferris 5900228 - 72 Mower Deck Housing and Blades

Ferris 5900228
66 pages
Print Icon
To Next Page IconTo Next Page
To Next Page IconTo Next Page
To Previous Page IconTo Previous Page
To Previous Page IconTo Previous Page
Loading...
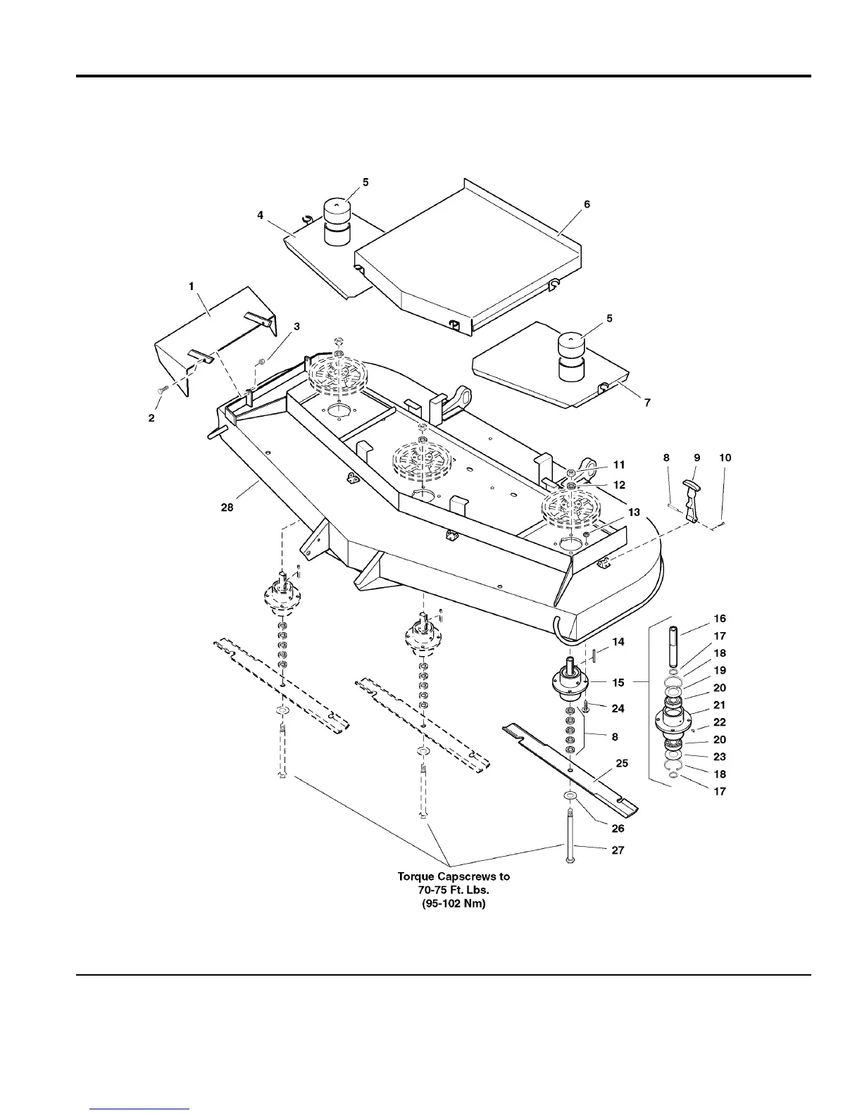
72" Mower Deck - Housing, Covers, Spindles & Blades
0957HC0
NOTE: Unless noted otherwise,
use the standard hardware torque
specification chart.
The above parts group applies to the following Mfg. Nos.:
2005
50
© Copyright Ferris Industries. All Rights Reserved.
5900228
(
S/N: 1022 & Above
)
(
P72
)
TP 400-7095-04-H3-F

Related product manuals