EasyManua.ls Logo

Ferris 5900716 - Page 24

Ferris 5900716
104 pages
Print Icon
To Next Page IconTo Next Page
To Next Page IconTo Next Page
To Previous Page IconTo Previous Page
To Previous Page IconTo Previous Page
Loading...
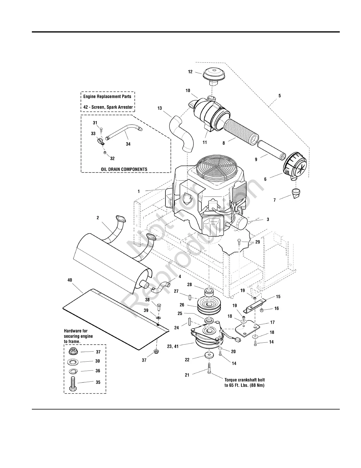
Engine & PTO Group - Kohler 30 HP
NOTE: Unless noted otherwise,
use the standard hardware torque
specification chart.
The above parts group applies to the following Mfg. Nos.:
2010
24
© Copyright Briggs and Stratton. All Rights Reserved.
5900612
(
IS3100ZK3061
)
TP 400-7282-BA-3Z-F
Not for
Reproduction

Table of Contents

Related product manuals