EasyManua.ls Logo

Ferris 5900716 - Main Frame and Front Suspension Group - 61 Inch Deck Model

Ferris 5900716
104 pages
Print Icon
To Next Page IconTo Next Page
To Next Page IconTo Next Page
To Previous Page IconTo Previous Page
To Previous Page IconTo Previous Page
Loading...
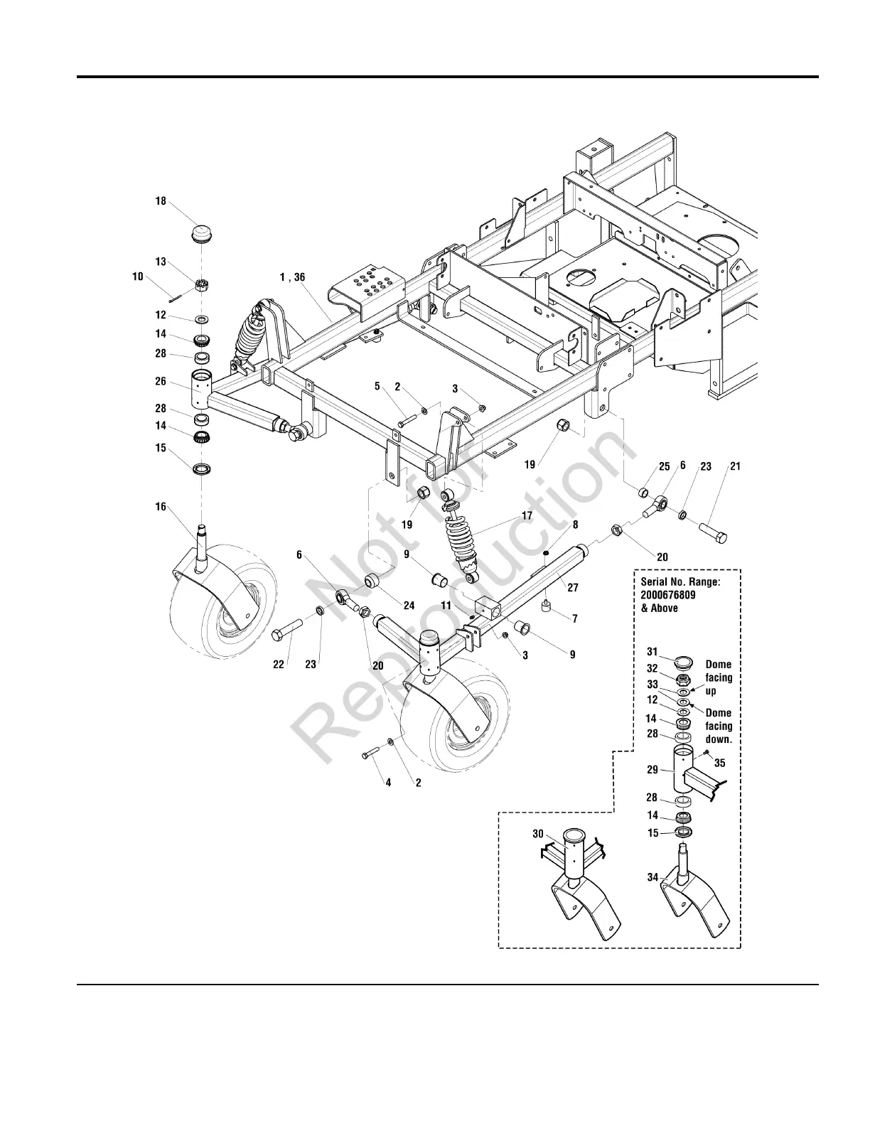
Main Frame & Front Suspension Group - 61" Deck Model
NOTE: Unless noted otherwise,
use the standard hardware torque
specification chart.
The above parts group applies to the following Mfg. Nos.:
2010
4
© Copyright Briggs and Stratton. All Rights Reserved.
5901186
(
IS3100ZBV3061
)
5900613
(
IS3100ZBV3261
)
5900612
(
IS3100ZK3061
)
5900611
(
IS3100ZLKAV2661
)
5900716
(
IS3100ZBV30/61 AUS/NZ
)
5900752
(
IS3100ZKAV3761SS
)
5900736
(
IS3100ZBV3261 CAL
)
TP 400-7282-BA-3Z-F
Not for
Reproduction

Table of Contents

Related product manuals