EasyManua.ls Logo

Festool BHC 18 - Page 14

Festool BHC 18
46 pages
Print Icon
To Next Page IconTo Next Page
To Next Page IconTo Next Page
To Previous Page IconTo Previous Page
To Previous Page IconTo Previous Page
Loading...
14
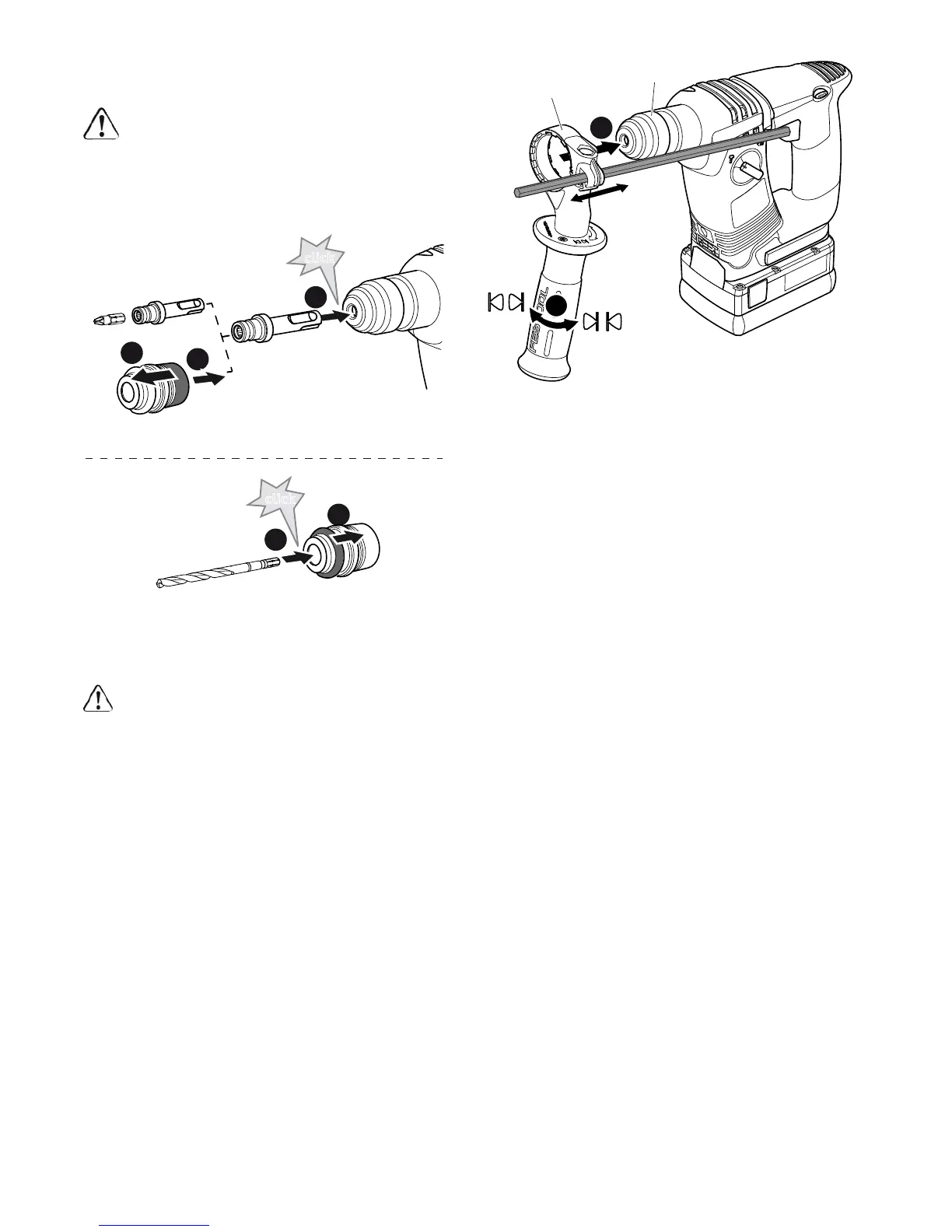
CENTROTEC tool chuck [6]
Quick change of tools with CENTROTEC shaft
Only clamp CENTROTEC tools in CENTRO-
TEC tool chucks.
Before working with the CENTROTEC tool
chuck, set the selector switch
[1-5]
to the drill
symbol.
Auxiliary handle [7-1]
We recommend working with an additional
handle
[7-1]
to ensure a safe, non-tiring
working posture.
Attaching the additional handle [7]
Attach the additional handle
[7-1]
to the neck of
the gear housing.
Turn the grip anticlockwise until the additional
handle
[7-1]
is secured in position.
Depth stop [7-2]
The drilling depth can be adjusted using the
depth stop
[7-2]
.
Attaching the depth stop [7-2]
Unscrew the additional handle
[7-1]
by turning
the grip anticlockwise.
Insert the depth stop
[7-2]
in the additional han-
dle
[7-1]
.
Pull out the depth stop
[7-2]
until the distance
between the tip of the drill and the tip of the
depth stop corresponds to the desired drilling
depth.
Tighten the grip on the additional handle
[7-1]
again.
Extraction
Please observe the safety regulations applicable
in your country for dust. The relevant limit values
must be observed at the workstation.
A dust ex-
tractor may be required for corresponding dust ex-
posure and depending on regulations. Festool of-
fers a drilling dust nozzle in the accessories sys-
tem.
6
1
2
3
5
4
click
click
7
1
7-1
7-2
2

Other manuals for Festool BHC 18